Активная длина штифта
Активная длина штифта l f - это длина, уменьшенная в результате снятия фасок и сопряжения. Активная длина, как правило, принимает на себя всю нагрузку.
Формулы
Проверка напряжения сдвига
Проверка контактного давления
Интерпретация символов в метрических единицах:
| τ |
напряжение среза [MПa] |
|
τ A |
допустимое напряжение среза [MПa] |
|
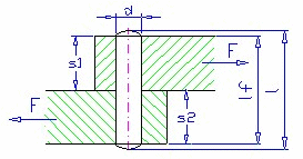
d |
диаметр штифта [мм] |
|
p 1 |
давление в верхней пластине [МПа] |
|
p 2 |
давление в нижней пластине [МПа] |
|
p 1A |
допустимое давление в верхней пластине [МПа] |
|
p 2A |
допустимое давление в нижней пластине [МПа] |
|
s 1 |
толщина верхней пластины [мм] |
|
s 2 |
толщина нижней пластины [мм] |
Интерпретация символов в британских единицах:
| τ |
напряжение среза [фунт/кв.дюйм] |
|
τ A |
допустимое напряжение среза [фунт/кв.дюйм] |
|
d |
диаметр штифта [д] |
|
p 1 |
давление в верхней пластине [фунт/кв.дюйм] |
|
p 2 |
давление в нижней пластине [фунт/кв.дюйм] |
|
p 1A |
допустимое давление в верхней пластине [фунт/кв.дюйм] |
|
p 2A |
допустимое давление в нижней пластине [фунт/кв.дюйм] |
|
s 1 |
толщина верхней пластины [д] |
|
s 2 |
толщина нижней пластины [д] |