Примечание

Примечание - это размерный текст :

Используйте страницу Примечание для изменения параметров примечания:

Стиль - выберите стиль линии из списка.

Шрифт - выберите шрифт, который будет использоваться в примечании.

В разрыв - вставляет текст в разрыв размерной линии.

Горизонтальный текст - изменяет весь текст и располагает его горизонтально по отношению к рабочей плоскости.

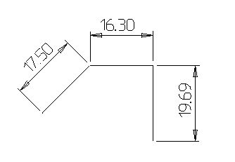
Предположим, что размеры наклонены, как показано ниже:

Когда текст меняется на горизонтальный, размеры выглядят так:

Интервал - редактирует расстояние между текстом и размерной линией:

Дробь - конвертирует десятичную часть размера в простую дробь, по умолчанию используется значение, ближайшее к одной восьмой.

Делитель дроби - задаёт знаменатель дроби. Это удобно, если нужно сравнить значения размеров.

Высота символа - редактирует высоту символа.

Шаг - задаёт расстояние между символами.

Пропорциональные символы - (только для шрифта Duct). Если эта опция активна, пространство, занимаемое каждым символом, не фиксируется).

Формат угла - редактирует способ обозначения углового размера. Можно выбрать опцию Формат угла, чтобы все угловые размеры имели следующие размерные единицы

Десятичные - означает количество десятичных знаков после запятой. По умолчанию угловое значение отображается с точностью до двух знаков после запятой.

Удалить конечные нули - выберите эту опцию, чтобы удалить все нули после десятичной точки из примечания размера. По умолчанию эта опция отключена.

Параметры простановки размеров от базы - данные опции используются для базовых, ординатных размеров и размерных цепей: