Размер формы сечения конструкций, изготовленных холодным формованием

Просматривайте и изменяйте значения параметров размера формы сечения элементов несущих конструкций, изготовленных холодным формованием.

Эти свойства типа создаются на основе параметра категории семейства форм сечения элемента.

Форма сечения Доступные параметры размеров формы
Прямоугольный HSS (холодногнутая сталь)

B. Ширина: наружная ширина формы сечения.

H. Высота: наружная высота формы сечения.

T. Расчетная толщина стенки: перпендикулярная расчетная толщина между внутренней и наружной поверхностями формы сечения.

t. Номинальная толщина стенки: среднее перпендикулярное расстояние между внутренней и наружной поверхностями формы сечения.

r1. Внутреннее сопряжение: радиус сопряжения внутреннего угла формы сечения прямоугольной пустотелой несущей конструкции.

r2. Внешнее сопряжение: радиус сопряжения внешнего угла формы сечения прямоугольной пустотелой несущей конструкции.

y. Горизонтальный центроид: расстояние от центроида формы сечения до левого края по горизонтальной оси.

z. Вертикальный центроид: расстояние от центроида формы сечения до нижнего края по вертикальной оси.

Круглый HSS (холодногнутая сталь)

D. Диаметр: внешний диаметр формы круглого сечения.

T. Расчетная толщина стенки: перпендикулярная расчетная толщина между внутренней и наружной поверхностями формы сечения.

t. Номинальная толщина стенки: среднее перпендикулярное расстояние между внутренней и наружной поверхностями формы сечения.

y. Горизонтальный центроид: расстояние от центроида формы сечения до левого края по горизонтальной оси.

z. Вертикальный центроид: расстояние от центроида формы сечения до нижнего края по вертикальной оси.

С-образный профиль

B. Ширина: наружная ширина формы сечения.

H. Высота: наружная высота формы сечения.

T. Расчетная толщина стенки: перпендикулярная расчетная толщина между внутренней и наружной поверхностями формы сечения.

t. Номинальная толщина стенки: среднее перпендикулярное расстояние между внутренней и наружной поверхностями формы сечения.

r1. Внутреннее сопряжение: радиус сопряжения внутреннего угла формы сечения изгиба в форме сечения стальной балки, изготовленной холодным формованием.

y. Горизонтальный центроид: расстояние от центроида формы сечения до левого края по горизонтальной оси.

z. Вертикальный центроид: расстояние от центроида формы сечения до нижнего края по вертикальной оси.

С-образный профиль со сгибом

B. Ширина: наружная ширина формы сечения.

H. Высота: наружная высота формы сечения.

h1. Длина выступа: расстояние между наружными поверхностями формы сечения и концом сегмента выступа.

b1. Длина изгиба: расстояние между наружными поверхностями сегмента выступа и концом сегмента изгиба.

T. Расчетная толщина стенки: перпендикулярная расчетная толщина между внутренней и наружной поверхностями формы сечения.

t. Номинальная толщина стенки: среднее перпендикулярное расстояние между внутренней и наружной поверхностями формы сечения.

r1. Внутреннее сопряжение: радиус сопряжения внутреннего угла формы сечения изгиба в форме сечения стальной балки, изготовленной холодным формованием.

y. Горизонтальный центроид: расстояние от центроида формы сечения до левого края по горизонтальной оси.

z. Вертикальный центроид: расстояние от центроида формы сечения до нижнего края по вертикальной оси.

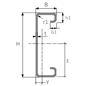
С-образный профиль с выступами

B. Ширина: наружная ширина формы сечения.

H. Высота: наружная высота формы сечения.

h1. Длина выступа: расстояние между наружными поверхностями формы сечения и концом сегмента выступа.

T. Расчетная толщина стенки: перпендикулярная расчетная толщина между внутренней и наружной поверхностями формы сечения.

t. Номинальная толщина стенки: среднее перпендикулярное расстояние между внутренней и наружной поверхностями формы сечения.

r1. Внутреннее сопряжение: радиус сопряжения внутреннего угла формы сечения изгиба в форме сечения стальной балки, изготовленной холодным формованием.

y. Горизонтальный центроид: расстояние от центроида формы сечения до левого края по горизонтальной оси.

z. Вертикальный центроид: расстояние от центроида формы сечения до нижнего края по вертикальной оси.

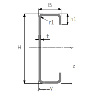
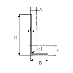
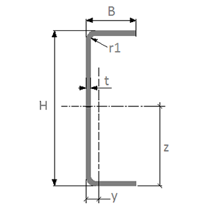
Г-образный профиль

B. Ширина: наружная ширина формы сечения.

H. Высота: наружная высота формы сечения.

T. Расчетная толщина стенки: перпендикулярная расчетная толщина между внутренней и наружной поверхностями формы сечения.

t. Номинальная толщина стенки: среднее перпендикулярное расстояние между внутренней и наружной поверхностями формы сечения.

r1. Внутреннее сопряжение: радиус сопряжения внутреннего угла формы сечения изгиба в форме сечения стальной балки, изготовленной холодным формованием.

y. Горизонтальный центроид: расстояние от центроида формы сечения до левого края по горизонтальной оси.

z. Вертикальный центроид: расстояние от центроида формы сечения до нижнего края по вертикальной оси.

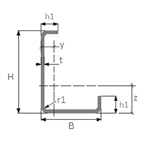
Г-образный профиль с выступами

B. Ширина: наружная ширина формы сечения.

H. Высота: наружная высота формы сечения.

h1. Длина выступа: расстояние между наружными поверхностями формы сечения и концом сегмента выступа.

T. Расчетная толщина стенки: перпендикулярная расчетная толщина между внутренней и наружной поверхностями формы сечения.

t. Номинальная толщина стенки: среднее перпендикулярное расстояние между внутренней и наружной поверхностями формы сечения.

r1. Внутреннее сопряжение: радиус сопряжения внутреннего угла формы сечения изгиба в форме сечения стальной балки, изготовленной холодным формованием.

y. Горизонтальный центроид: расстояние от центроида формы сечения до левого края по горизонтальной оси.

z. Вертикальный центроид: расстояние от центроида формы сечения до нижнего края по вертикальной оси.

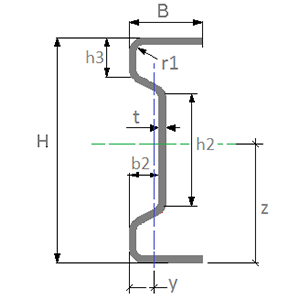
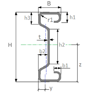
Профиль сигма

B. Ширина: наружная ширина формы сечения.

H. Высота: наружная высота формы сечения.

b2. Ширина изгиба: расстояние от левого края формы сечения до наружной поверхности среднего сегмента с изгибом.

h2. Длина изгиба в середине: длина внутренней поверхности среднего сегмента с изгибом.

h3. Длина изгиба сверху: расстояние между наружной поверхностью верхней части формы сечения и концом верхней части сегмента с изгибом.

T. Расчетная толщина стенки: перпендикулярная расчетная толщина между внутренней и наружной поверхностями формы сечения.

t. Номинальная толщина стенки: среднее перпендикулярное расстояние между внутренней и наружной поверхностями формы сечения.

r1. Внутреннее сопряжение: радиус сопряжения внутреннего угла формы сечения изгиба в форме сечения стальной балки, изготовленной холодным формованием.

y. Горизонтальный центроид: расстояние от центроида формы сечения до левого края по горизонтальной оси.

z. Вертикальный центроид: расстояние от центроида формы сечения до нижнего края по вертикальной оси.

Профиль сигма со сгибом

B. Ширина: наружная ширина формы сечения.

H. Высота: наружная высота формы сечения.

b1. Длина изгиба: расстояние между наружными поверхностями сегмента выступа и концом сегмента изгиба.

h1. Длина выступа: расстояние между наружными поверхностями формы сечения и концом сегмента выступа.

b2. Ширина изгиба: расстояние от левого края формы сечения до наружной поверхности среднего сегмента с изгибом.

h2. Длина изгиба в середине: длина внутренней поверхности среднего сегмента с изгибом.

h3. Длина изгиба сверху: расстояние между наружной поверхностью верхней части формы сечения и концом верхней части сегмента с изгибом.

T. Расчетная толщина стенки: перпендикулярная расчетная толщина между внутренней и наружной поверхностями формы сечения.

t. Номинальная толщина стенки: среднее перпендикулярное расстояние между внутренней и наружной поверхностями формы сечения.

r1. Внутреннее сопряжение: радиус сопряжения внутреннего угла формы сечения изгиба в форме сечения стальной балки, изготовленной холодным формованием.

y. Горизонтальный центроид: расстояние от центроида формы сечения до левого края по горизонтальной оси.

z. Вертикальный центроид: расстояние от центроида формы сечения до нижнего края по вертикальной оси.

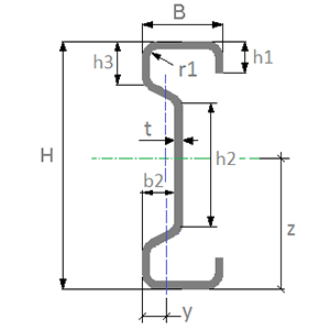
Профиль сигма с выступами

B. Ширина: наружная ширина формы сечения.

H. Высота: наружная высота формы сечения.

b2. Ширина изгиба: расстояние от левого края формы сечения до наружной поверхности среднего сегмента с изгибом.

h1. Длина выступа: расстояние между наружными поверхностями формы сечения и концом сегмента выступа.

h2. Длина изгиба в середине: длина внутренней поверхности среднего сегмента с изгибом.

h3. Длина изгиба сверху: расстояние между наружной поверхностью верхней части формы сечения и концом верхней части сегмента с изгибом.

T. Расчетная толщина стенки: перпендикулярная расчетная толщина между внутренней и наружной поверхностями формы сечения.

t. Номинальная толщина стенки: среднее перпендикулярное расстояние между внутренней и наружной поверхностями формы сечения.

r1. Внутреннее сопряжение: радиус сопряжения внутреннего угла формы сечения изгиба в форме сечения стальной балки, изготовленной холодным формованием.

y. Горизонтальный центроид: расстояние от центроида формы сечения до левого края по горизонтальной оси.

z. Вертикальный центроид: расстояние от центроида формы сечения до нижнего края по вертикальной оси.

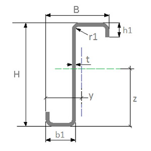
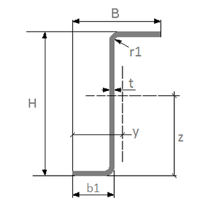
Z-образный профиль

B. Ширина: наружная ширина формы сечения.

H. Высота: наружная высота формы сечения.

b1. Длина нижней полки: расстояние между внутренней поверхностью формы сечения и концом нижнего сегмента полки.

T. Расчетная толщина стенки: перпендикулярная расчетная толщина между внутренней и наружной поверхностями формы сечения.

t. Номинальная толщина стенки: среднее перпендикулярное расстояние между внутренней и наружной поверхностями формы сечения.

r1. Внутреннее сопряжение: радиус сопряжения внутреннего угла формы сечения изгиба в форме сечения стальной балки, изготовленной холодным формованием.

y. Горизонтальный центроид: расстояние от центроида формы сечения до левого края по горизонтальной оси.

z. Вертикальный центроид: расстояние от центроида формы сечения до нижнего края по вертикальной оси.

Z-образный профиль с выступами

B. Ширина: наружная ширина формы сечения.

H. Высота: наружная высота формы сечения.

b1. Длина нижней полки: расстояние между внутренней поверхностью формы сечения и концом нижнего сегмента полки.

h1. Длина выступа: расстояние между наружными поверхностями формы сечения и концом сегмента выступа.

T. Расчетная толщина стенки: перпендикулярная расчетная толщина между внутренней и наружной поверхностями формы сечения.

t. Номинальная толщина стенки: среднее перпендикулярное расстояние между внутренней и наружной поверхностями формы сечения.

r1. Внутреннее сопряжение: радиус сопряжения внутреннего угла формы сечения изгиба в форме сечения стальной балки, изготовленной холодным формованием.

y. Горизонтальный центроид: расстояние от центроида формы сечения до левого края по горизонтальной оси.

z. Вертикальный центроид: расстояние от центроида формы сечения до нижнего края по вертикальной оси.