关于矩形创建工具的增强功能 (AutoCAD Mechanical Toolset)

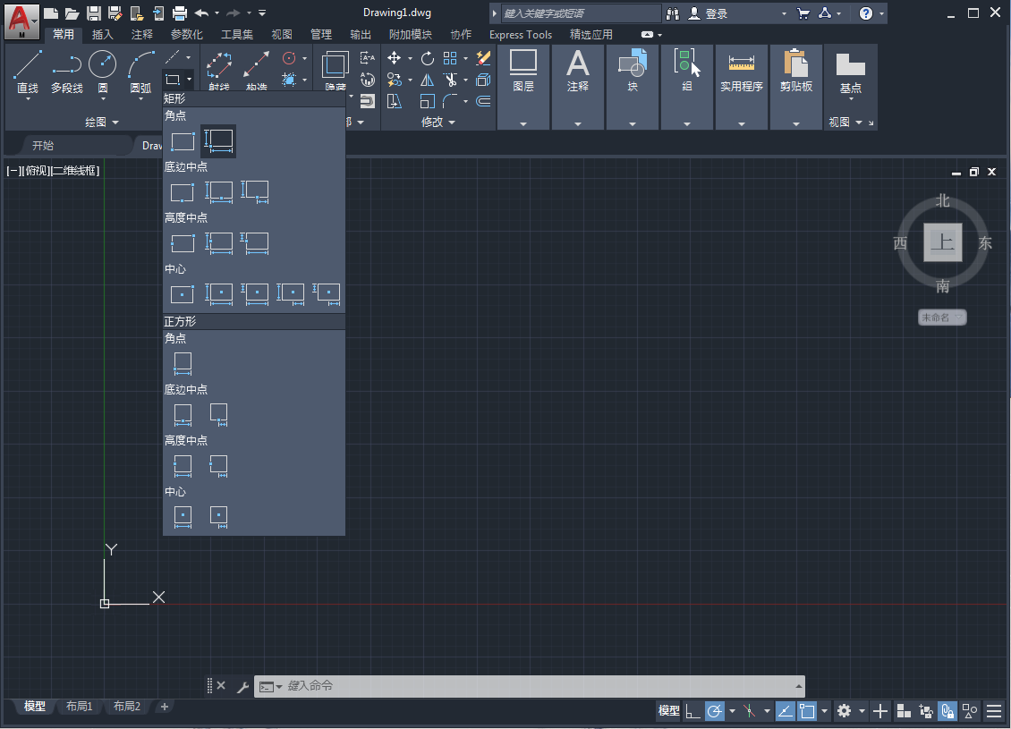
过去通过“矩形”对话框访问的矩形创建命令现在可以直接从功能区进行访问。

这些命令现在显示预览,从而能够更轻松地在绘图区域中放置矩形。我们对这些命令进行了进一步的增强以支持标注输入,从而能够更轻松地精确指定底边和高度。