“粘弹性”材料仅用于非线性分析。从“类型”下拉列表中选择“粘弹性”后,以下材料部分可用:“常规”、“结构”、“粘弹性”和“试验数据曲线”。
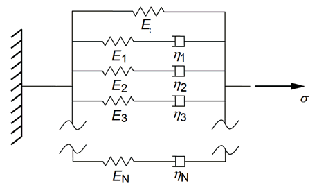
其中,每个松驰零部件上的应力计算方法如下:
和
是无松弛的偏应力。
其中
= 无限时间下的刚度
= 初始时间下的刚度
其中
其中
其中
和
是使用 TABVE 总体数据条目定义的,其中
。
其中支持两个不同的缩放函数。
William-Landel-Ferry:
Arrhenius:
因此,常量 C1 和 C2 是基于 SHIFT 缩放函数选择定义的。