卫浴系统大小调整示例
以下图像显示各种管道大小调整方法的结果。
摩擦和速度
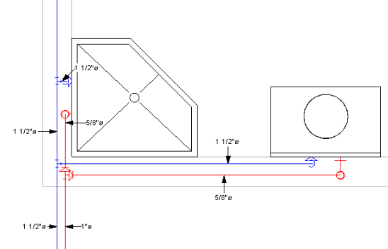
调整大小之前
调整大小之后
仅限摩擦
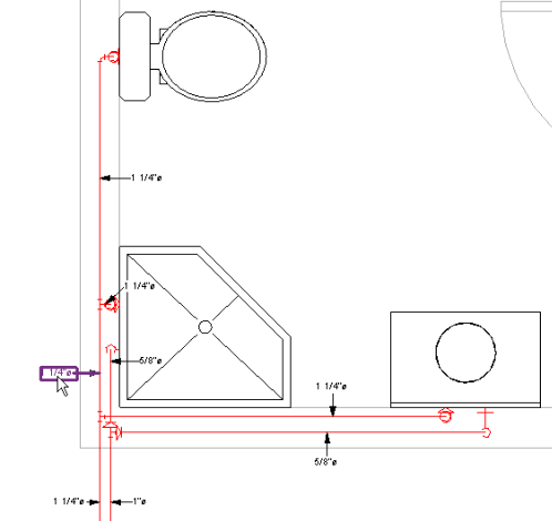
调整大小之前
调整大小之后
摩擦和速度 - 较大支管
调整大小之前
调整大小之后
摩擦和速度 - 匹配连接件大小
调整大小之前
调整大小之后
仅限速度
调整大小之前
调整大小之后
系统检查器
单个管道
流向图
父主题:
管道大小调整示例
相关概念
卫浴装置当量与流量的转换 (GPM)
管道系统属性
管道实例属性
管道大小调整方法