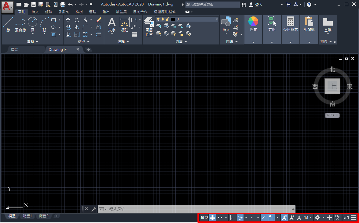
關於狀態列

狀態列會顯示游標位置,繪製工具以及會影響圖面環境的工具。

透過狀態列可快速存取某些最常用的繪製工具。您可以切換如格線、鎖點、極座標追蹤以及物件鎖點等設定。您也可以按一下下拉式箭頭以存取這些工具的其他設定。

註: 並非所有的工具都會依預設顯示,您可以從狀態列最右邊的「自訂」功能表選擇要顯示的工具。顯示在狀態列上的工具也會根據目前的工作區,以及目前是否顯示「模型」頁籤或配置頁籤而有所變更。

您也可以使用鍵盤上的功能鍵 (F1 - F12) 切換其中某些設定。