| 性質 | 範例 | 描述 |
|---|---|---|
|
「重新呼叫點」:用於使用線段,從上一個點或指定的點 ID 連接作用中圖形的代碼。 |
EP1 RPN EP1 RPN101 |
EP1 為圖形名稱,它會使名稱相符的作用中圖形延續。PRN 為重新呼叫點代碼,它會在沒有點時,從上一個點連接至目前的點,並在目前的點之前插入線段。代碼 EP1 PRN101 從目前的點連接至指示的點。 |
|
「連接點」:此代碼用於指示以單一線段,從目前的點至指定的點 ID 建立一個新圖形 (相同的圖徵)。指定的點 ID 會跟隨「連接點」代碼。 |
EP1 B CPN101 |
在此範例中,新圖形係建立於目前的點上,並以單一線段,將另一個新圖形繪製到點 101 (稱為 EP1.CPN101)。圖形名稱則可使用「圖形性質」指令修改。 |
|
「連接點」代碼永遠會建立一個由單一線段組成的圖形。以下插圖展示了「連接點」代碼的範例: ![]() |
||
|
「矩形」:此代碼係用於以指定的數字偏移進入目前的點的線段。 |
BLD1 <矩形>40 |
正數指示向右偏移,負數指示向左偏移,偏移相對於線段進入目前點的方向。若「矩形」代碼後未跟隨任何數字,此代碼會在進入目前的點的上一條線段和圖形的第一條線段之間,執行一個互垂/互垂線交叉,以關閉圖形。 註:
未包含數字的「矩形」代碼至少需要三個先前位於目前圖形上的點。 |
|
以下插圖展示了具有指定值 40 的「矩形」代碼: ![]() |
||
|
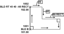
「右轉」:此代碼係與直線段代碼配合使用,以將其他頂點以互垂的方式插入圖形中,或做為延伸 (直線偏移)。 |
BLD1 RT X10.1 5 -12.2 -5 -12.2 |
讓作用中的圖形 BLD1 延續至目前的點,並將目前線段延伸 10.1 個單位,然後繪製每個值的互垂線段。 偏移值、<延伸> 代碼或 <矩形> 代碼跟隨 <右轉> 代碼。正數指示向右轉折,負數則指示向左轉折。 註:
使用 <延伸><值> 進行延伸時,使用正的 # 向前筆直延伸,或使用負 # 向後延伸。 註:
使用 <矩形> 代碼來完成 <右轉> 代碼,並從目前的圖形線段關閉回做為互垂/互垂線交叉的起始線段。 |
|
以下插圖展示了「右轉」代碼和「矩形」代碼的範例: ![]() |
||
|
「延伸」:此代碼係用於透過正值將直線段向前延伸,以至貫穿目前的點,或透過負值來延伸未達到目前的點的直線段。 |
BLD1 X15.5 |
BLD1 會延續作用中的圖形,X 為「延伸」代碼,而 15.5 為圖形線段延伸至貫穿目前的點的值。 |
|
以下插圖展示了「延伸」代碼、「右轉」代碼和「矩形」代碼的範例: ![]() |
||