Informationen zum Querverweisformat für Tabellen

Wenn Sie den Stil des Formats für Tabellenquerverweise verwenden, ändert sich die Vorschau entsprechend und zeigt, wie der Querverweis in der Zeichnung dargestellt wird.

Grafikschrift:

Zeigt das Querverweisformat unter Verwendung einer Grafikschrift im JIC- oder IEC-Stil an. Diese Einstellung wird unabhängig davon, welcher Kennzeichnungsmodus in den Projekteigenschaften zugewiesen ist, auf die Grafikschrift angewendet.

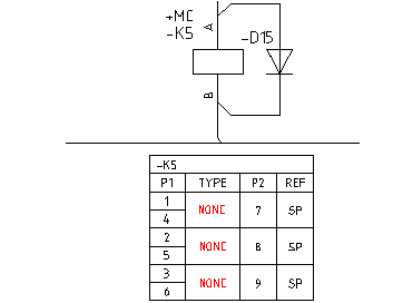
Die folgenden Beispiele zeigen Tabellenquerverweise mit der Grafikschrift innerhalb des Tabellenstils. Der Wert für Querverweis ausfüllen mit lautet für nicht verwendete untergeordnete Elemente (Kontakte) "SP".

JIC

IEC

Kontaktverknüpfung:

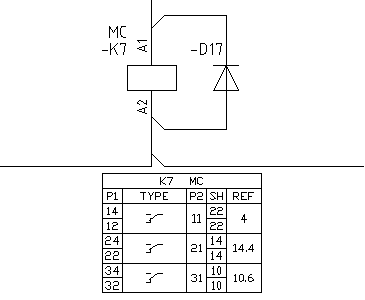
Zeigt das Querverweisformat mit Querverweistypwerten an (Schließer, Öffner, SCHLIESSÖFF).

JIC

IEC

Symbolzuordnungsformat:

Zeigt das Querverweisformat mit einer AutoCAD-Blockdatei (.dwg) an, den Kontakttyp darzustellen. In der Datenbank für die Katalogsuche in der Tabelle _XREF_GRAPHICS wird die Symbolzuordnung definiert. Die Stromlaufplan-Bibliotheksordner des aktiven Projekts werden nach den zugeordneten Symbolen für die Einfügung durchsucht.

JIC

IEC

Wechslerkontakte und -Tabellen

Ein typischer Kontakt ist der Wechslerkontakt. Er wird aus zwei Kontakten zusammengesetzt: einem Schließer und einem Öffner, die eine gemeinsame Klemmenanschlussnummer haben. Die Wechslerkontakte können entweder als zwei einzelne Symbole oder zusammen als ein Symbol angezeigt werden.

Beispiel: Zwei Symbole stellen den Wechslerkontakt dar

Der gemeinsame Anschluss befindet sich auf der rechten Seite neben der Verweisspalte und wird in der P2-Spalte der Tabelle angezeigt.

JIC

IEC

Anmerkung: Bei der Methode zur Zuordnung der Symbole steht ein einzelnes Symbol für einen Wechslerkontakt, auch wenn zwei separate Kontakte eingefügt werden.

Beispiel: Ein Symbol stellt den Wechslerkontakt dar

Der gemeinsame Anschluss befindet sich auf der rechten Seite neben der Verweisspalte und wird in der P2-Spalte der Tabelle angezeigt.

JIC

IEC

Austauschbare Parameter im Tabellentitel

Tabellenstil-Querverweise bieten Unterstützung für Parameter-Platzhalter, die definiert und im Tabellentitel angezeigt werden können. Diese werden von einigen AutoCAD Electrical toolset-Befehlen bei Änderungen an einer Zeichnung berücksichtigt.

Betriebsmittel löschen

Wenn ein Betriebsmittel mit einer Querverweistabelle gelöscht wird, wird die Tabelle ebenfalls aus der Zeichnung gelöscht.

Betriebsmittel-Kennzeichnung neu berechnen

Wenn die Betriebsmittel-Kennzeichnung neu berechnet wird (Neu markieren, Betriebsmittel verschieben, Schaltkreis verschieben, Betriebsmittel bearbeiten), wird die Querverweistabelle aktualisiert, wenn die Betriebsmittel-Kennzeichnung Teil des Titels ist.

Betriebsmittel bearbeiten

Wenn ein Parameter-Platzhalter für ein Betriebsmittel geändert wird, das über eine Querverweistabelle verfügt, wird der Tabellentitel entsprechend aktualisiert.

Katalogzuordnung kopieren

Wenn eine andere Katalognummer auf ein Hauptsymbol kopiert wird, werden ggf. die ANSCHLUSSLISTE und die Kontaktanzahl aktualisiert. Die Querverweistabelle wird in Echtzeit aktualisiert.

Komb. Anl./Orts-Betriebsmittel-Kennzeichnungsmodus

Wenn sich die zeichnungsweiten Ort- oder Anlagenwerte ändern, wird die Querverweistabelle entsprechend aktualisiert.

Schaltkreis kopieren

Wenn ein Schaltkreis mit einer Querverweistabelle kopiert wird, wird der Tabellentitel mit den neuen Betriebsmittel-Kennzeichnungswerten aktualisiert.

Betriebsmittel einfügen

Beim Einfügen eines übergeordneten Betriebsmittels mit einer Querverweistabelle wird die Tabelle an der Position der Querverweisattribute eingefügt (XREF und XREFNO). Beim Einfügen eines untergeordneten Betriebsmittels wird die Querverweistabelle für das übergeordnete Betriebsmittel aktualisiert.

Verschieben

Wenn ein übergeordnetes Betriebsmittel mit einer Querverweistabelle verschoben wird, wird die Tabelle auch entlang des Drahts verschoben.

Anmerkung: Wenn Sie die Betriebsmittelkatalognummer ändern oder eine mehrfache Stücklistenkatalognummer zum Betriebsmittel hinzufügen (durch beides werden die Anschlusslistendaten geändert), wird die Querverweistabelle aktualisiert, sobald Sie das Dialogfeld Betriebsmittel einfügen/bearbeiten schließen. Darüber hinaus wird beim manuellen Ändern der Liste der Anschlusspunkte für das übergeordnete Betriebsmittel die Querverweistabelle mit den neuen Anschlussnummern und der geänderten Kontaktanzahl aktualisiert, nachdem das Dialogfeld Betriebsmittel einfügen/bearbeiten geschlossen wurde.

Zu den Befehlen, die keine Querverweisaktualisierung in Echtzeit unterstützen, gehören die folgenden: