Lernen Sie die grundlegenden AutoCAD-Steuerelemente kennen.
Klicken Sie nach dem Starten von AutoCAD auf dem Begrüßungsbildschirm auf Registerkarte , um eine neue Zeichnung zu beginnen.

AutoCAD enthält einen Werkzeugsatz links neben dem Zeichenbereich. Fast alle Befehle aus diesem Handbuch können Sie über die Registerkarte Zeichnen aufrufen. Des Weiteren enthält der Werkzeugkasten oberhalb des Zeichenbereichs häufige Befehle wie Neu, Öffnen, Speichern, Drucken, Rückgängig usw.

Kernstück von AutoCAD ist das Befehlsfenster, das normalerweise am unteren Rand des Zeichenbereichs fixiert ist. Im Befehlsfenster werden Eingabeaufforderungen, Optionen und Meldungen angezeigt.

Sie können Befehle direkt im Befehlsfenster eingeben, anstatt die Werkzeugleisten, Werkzeugkästen und Menüs zu verwenden. Viele AutoCAD-Benutzer bevorzugen diese Methode.
Wenn Sie mit der Eingabe eines Befehls beginnen, wird dieser automatisch vervollständigt. Wenn mehrere Möglichkeiten zur Verfügung stehen, wie im folgenden Beispiel dargestellt, können Sie Ihre Auswahl treffen, indem Sie auf das gewünschte Element klicken oder die Pfeiltasten und anschließend die EINGABETASTE bzw. die LEERTASTE drücken.

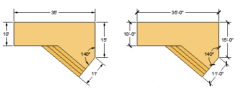
Sie können Branchen- und Unternehmensstandards problemlos erfüllen, indem Sie Einstellungen für Text, Bemaßungen, Linientypen und viele andere Funktionen festlegen. In diesem Terrassenentwurf werden beispielsweise zwei unterschiedliche Bemaßungsstile angezeigt.

Alle diese Einstellungen können in einer Zeichnungsvorlage gespeichert werden. Klicken Sie auf Neu, um mehrere Zeichnungsvorlagendateien zu erstellen:


Die Lernprogramm-Vorlagendateien in der Liste enthalten einfache Beispiele für die Konstruktionsbereiche Architektur und Maschinenbau sowohl mit britischen (i) als auch mit metrischen (m) Maßeinheiten. Mit diesen können Sie experimentieren.
Die meisten Unternehmen verwenden Zeichnungsvorlagendateien, die den Unternehmensstandards entsprechen. Je nach Projekt oder Kunde verwenden sie häufig unterschiedliche Zeichnungsvorlagendateien.
Sie können eine beliebige Zeichnungsdatei (.dwg) als Zeichnungsvorlagendatei (.dwt) speichern. Sie können auch eine vorhandene Zeichnungsvorlagendatei öffnen, diese ändern und anschließend ggf. unter einem anderen Namen erneut speichern.

Wenn Sie selbstständig arbeiten, können Sie Ihre Zeichnungsvorlagendateien entsprechend Ihren Anforderungen erstellen. Im Laufe der Zeit können Sie auch Einstellungen für zusätzliche Funktionen hinzufügen.
Um eine vorhandene Zeichnungsvorlagendatei zu ändern, klicken Sie auf Öffnen, geben im Dialogfeld Datei wählen die Zeichnungsvorlage (*.dwt) an und wählen die Vorlagendatei aus.

Wenn Sie eine neue Zeichnung beginnen, müssen Sie zuerst festlegen, wie die Länge einer Einheit umgerechnet wird: in Zoll, Fuß, Zentimeter, Kilometer oder in eine andere Längeneinheit. Die unten dargestellten Objekte können beispielsweise für zwei Gebäude stehen, von denen jedes 125 Fuß lang ist, oder für den Abschnitt eines mechanischen Bauteils, das in Millimetern gemessen wird.

Wenn Sie sich für eine Längeneinheit entschieden haben, können Sie über den Befehl EINHEIT verschiedene Einstellungen für die Einheitenanzeige festlegen, z. B.:
Wenn Sie Fuß und Zoll als Einheiten verwenden, legen Sie mithilfe des Befehls EINHEIT den Einheitentyp auf Architektur fest. Wenn Sie anschließend Objekte erstellen, geben Sie deren Längen in Zoll an. Wenn Sie metrische Einheiten verwenden, belassen Sie den Einheitentyp unverändert auf Dezimal. Durch Ändern des Einheitenformats und der Genauigkeit wird die interne Genauigkeit der Zeichnung nicht beeinträchtigt. Die Änderungen wirken sich nur auf die Art und Weise aus, wie Längen, Winkel und Koordinaten in der Benutzeroberfläche angezeigt werden.
Erstellen Sie Modelle immer in Originalgröße (Maßstab von 1:1). Der Begriff Modell bezieht sich auf die Geometrie der Konstruktion. Eine Zeichnung enthält die Modellgeometrie sowie die Ansichten, Anmerkungen, Bemaßungen, Beschriftungen, Tabellen und das Schriftfeld, die im Layout angezeigt werden.
Den Maßstab für den Druck einer Zeichnung auf einem Blatt im Standardformat legen Sie später beim Erstellen des Layouts fest.

Drücken Sie die ESC-Taste, um diesen Vorauswahlvorgang abzubrechen.