Übung B4: Ändern eines Teils mit REM-Befehlen

In dieser Übung lernen Sie, wie Sie mit REM-Befehlen ein Rasterbild ändern.

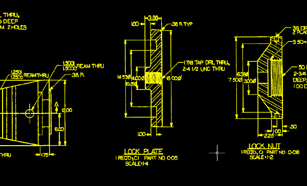
Sie bearbeiten ein Sicherungsblech, das Teil einer Bohrschablone ist, wobei die Blechdicke des Sicherungsblechs erhöht wird. Anschließend wird der Maßtext aktualisiert, um die Änderung in der Dicke wiederzugeben.

Verwandte Übungen

Vor dem Ausführen dieser Übung sollten Sie sicherstellen, dass die AutoCAD Raster Design toolset-Optionen entsprechend der Beschreibung in der Übung Übung A1: Festlegen von AutoCAD Raster Design Toolset-Optionen festgelegt sind.

Übung

  1. Öffnen Sie im Ordner \Tutorial3 die Zeichnungsdatei REM_05.dwg.
  2. Klicken Sie auf Ansicht Benannte Ansichten. Wählen Sie TU_lock_plate als aktuelle Ansicht.

    Teilen des Sicherungsblechs in zwei Teile

  3. Öffnen Sie gegebenenfalls die REM-Werkzeugkästen.
  4. Klicken Sie im Werkzeugkasten Rasterobjektbearbeitung auf Polygonale Region .
  5. Zeichnen Sie ein Polygon mit einer vertikalen Linie, die den dünnsten Bereich des Sicherungsblechs in zwei Teile teilt und den Maßtext rechts neben dem Teil einschließt. Drücken Sie die EINGABETASTE.
  6. Geben Sie m ein, um das REM-Objekt um genau 0,6 cm nach rechts zu verschieben. Geben Sie dazu die Verschiebung als 0.25,0,0 an.

    Durch diese Aktion entsteht im Rasterbild eine Lücke. Sie müssen das Regionen-Objekt mit dem Bild zusammenführen, bevor Sie andere Änderungen an dem Teil vornehmen können.

  7. Wählen Sie das Regionen-Objekt aus, klicken Sie mit der rechten Maustaste, und wählen Sie aus dem Kontextmenü die Option Mit Rasterbild zusammenführen.

    Schließen der oberen horizontalen Linie

  8. Klicken Sie auf Ansicht Benannte Ansichten. Stellen Sie die aktuelle Ansicht auf TU_2.75 ein.
  9. Klicken Sie im Werkzeugkasten Rasterobjektbearbeitung auf Linie , und wählen Sie die horizontale Linie oben aus.

    Die Linie wird zu einem Grundkörper.

  10. Wählen Sie den Grundkörper aus, wählen Sie seinen rechten Griff, und strecken Sie die Linie, um die 0,6 cm breite Lücke zu schließen.
  11. Wählen Sie den Grundkörper aus, klicken Sie mit der rechten Maustaste, und wählen Sie Mit Rasterbild zusammenführen.

    Schließen der unteren horizontalen Line

  12. Klicken Sie auf Ansicht Benannte Ansichten. Stellen Sie die aktuelle Ansicht auf TU_bottom ein.
  13. Klicken Sie im Werkzeugkasten Rasterobjektbearbeitung auf Linie , und wählen Sie die horizontale Linie unten aus.

    Die Linie wird zu einem Grundkörper.

  14. Wählen Sie den Grundkörper aus, wählen Sie seinen rechten Griff, und strecken Sie die Linie, um die 0,6 cm breite Lücke zu schließen.
  15. Wählen Sie den Grundkörper aus, klicken Sie mit der rechten Maustaste, und wählen Sie Mit Rasterbild zusammenführen.

    Schließen der Gewindelinien

  16. Klicken Sie auf Ansicht Benannte Ansichten. Stellen Sie die aktuelle Ansicht auf TU_thread ein.
  17. Klicken Sie im Werkzeugkasten Rasterobjektbearbeitung auf Rechteckig .
  18. Ziehen Sie ein schmales Rechteck um einige der Gewindelinien auf.

    Anschließend können Sie dieses Objekt kopieren, um die Lücke in den Gewindelinien zu schließen.

  19. Verwenden Sie KOPIEREN, um das Regionen-Objekt zu kopieren.
  20. Plazieren Sie die Kopie des Regionen-Objekts so, dass sie die Lücke in den Gewindelinien schließt.
  21. Wählen Sie die Kopie des Regionen-Objekts, klicken Sie mit der rechten Maustaste, und wählen Sie Mit Rasterbild zusammenführen.
  22. Klicken Sie mit der rechten Maustaste, und wählen Sie aus dem Kontextmenü REMAlle löschen.

    Ersetzen des Maßtexts

    Der Maßtext soll jetzt von 2.75 auf 3.00 geändert werden, um die neue Dicke des Sicherungsblechs anzugeben.

  23. Klicken Sie auf Ansicht Benannte Ansichten. Stellen Sie die aktuelle Ansicht auf TU_2.75 ein.
  24. Definieren Sie mithilfe des Layer-Eigenschaften-Managers TU_image_new als aktuelle Layer.
  25. Klicken Sie auf Raster VektorwerkzeugeText. Wählen Sie dann einen Punkt am Fuß der Ziffer 2 auf der linken Seite.

    Das Fadenkreuz zeigt an, wo der Punkt für die Platzierung von neuem Maßtext gewählt werden muss.

  26. Geben Sie im Dialogfeld VText bearbeiten 3.00 ein und klicken Sie auf OK.

    AutoCAD Raster Design toolset platziert neuen Maßtext am gewählten Punkt. Beachten Sie, dass Sie in der Befehlszeile die Option Intelligentes Fenster zum Entfernen des Rastertexts erhalten. Als Nächstes benutzen Sie diese Methode, um den Rastertext 2.75 zu entfernen.

  27. Zeichnen Sie ein Fenster um den alten Maßtext. Es macht nichts, wenn Teile der Pfeilspitzen im Fenster enthalten sind, da sie bei der intelligenten Auswahl ausgeschlossen werden. Der zu entfernende Text ist hervorgehoben. Drücken Sie die EINGABETASTE, um den ausgewählten Text zu entfernen, drücken Sie die EINGABETASTE dann nochmals, um den Befehl zu beenden.
  28. Wählen Sie den Vektortext aus, klicken Sie mit der rechten Maustaste darauf, wählen Sie Eigenschaften, und ändern Sie den Breitenfaktor des Textes in 0.8.
  29. Zentrieren Sie gegebenenfalls den Maßtext zwischen den Führungspfeilen.
  30. Um das Dialogfeld Rasterstifteinstellungen zu öffnen, Klicken Sie auf BildZusammenführenRasterstifte konfigurieren.
  31. Wählen Sie Gelb, ändern Sie die Einheiten in AutoCAD, und klicken Sie auf Auswählen.
  32. Wählen Sie zwei Punkte für die Breite auf der vertikalen Maßlinie aus.

    Im folgenden Beispiel ist dargestellt, wo die zwei Punkte gewählt werden müssen, die die Rasterstiftbreite für den neuen Maßtext bestimmen. Wenn Sie Rastertext aus dem Vektormaßtext erstellen, sollte die Dicke des Texts mit der der Linie im Bild vergleichbar sein.

  33. Legen Sie als Stiftbreite einen Wert von ungefähr 0.10 fest, und klicken Sie auf OK.
  34. Wählen Sie den Vektortext aus, klicken Sie mit der rechten Maustaste darauf, und wählen Sie die Option Vektor mit Rasterbild zusammenführen.
  35. Geben Sie J (Ja) ein, um den Vektortext nach der Zusammenführung zu löschen.

    Im folgenden Beispiel ist dargestellt, wie das Bild aussehen sollte, nachdem Sie den alten Maßtext durch neuen Rastertext ersetzt haben, der aus Vektormaßtext erstellt wurde.

    Überprüfen der am Sicherungsblech vorgenommenen Änderungen

  36. Klicken Sie auf Ansicht Benannte Ansichten. Wählen Sie TU_lock_plate als aktuelle Ansicht.
  37. Überprüfen Sie die am Teil und an den Maßen vorgenommenen Änderungen.

    In diesem Beispiel ist dargestellt, wie das Sicherungsblech und der Maßtext nach der Aktualisierung aussehen sollten.

  38. Schließen Sie die Zeichnung, ohne die Änderungen zu speichern.