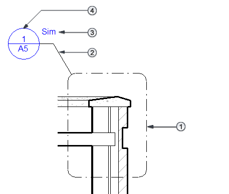
Detailausschnittsbeschriftungen

Eine Detailausschnittsbeschriftung ist ein Beschriftungstextelement, das die Position eines Detailausschnitts in einer übergeordneten Ansicht markiert.

Die Detailausschnittsbeschriftung besteht aus folgenden Teilen: