Sie können die Werte der Bemaßungsparameter für Querschnittsformen bei sonstigen Tragwerkselementen aus Stahl überprüfen und ändern.
Diese Typeneigenschaften werden unter Verwendung des Familienkategorieparameters Querschnittsform für das Element erstellt.
| Querschnittsform | Verfügbare Bemaßungsparameter für die Form |
|---|---|
Rechteckiger Stab
![]() |
B. Breite: die äußere Breite der Querschnittsform. H. Höhe: die äußere Höhe der Querschnittsform. y. Schwerpunkt horizontal: die Entfernung vom Schwerpunkt der Querschnittsform zum linken Ende entlang der horizontalen Achse. z. Schwerpunkt vertikal: die Entfernung vom Schwerpunkt der Querschnittsform zum unteren Ende entlang der vertikalen Achse. |
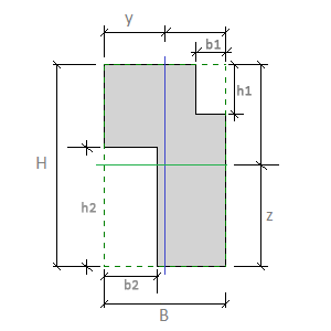
Rechteck geschnitten
![]() |
B. Breite: die äußere Breite der Querschnittsform. H. Höhe: die äußere Höhe der Querschnittsform. h1. Schnitthöhe oben: Höhe des Schnitts an der Oberseite der Querschnittsform mit rechteckigem Schnitt. b1. Schnittbreite oben: Breite des Schnitts an der Oberseite der Querschnittsform mit rechteckigem Schnitt. h2. Schnitthöhe unten: Höhe des Schnitts an der Unterseite der Querschnittsform mit rechteckigem Schnitt. b2. Schnittbreite unten: Breite des Schnitts an der Unterseite der Querschnittsform mit rechteckigem Schnitt. y. Schwerpunkt horizontal: die Entfernung vom Schwerpunkt der Querschnittsform zum linken Ende entlang der horizontalen Achse. z. Schwerpunkt vertikal: die Entfernung vom Schwerpunkt der Querschnittsform zum unteren Ende entlang der vertikalen Achse. |
Runder Stab
![]() |
D. Durchmesser: der Außendurchmesser der runden Querschnittsform. y. Schwerpunkt horizontal: die Entfernung vom Schwerpunkt der Querschnittsform zum linken Ende entlang der horizontalen Achse. z. Schwerpunkt vertikal: die Entfernung vom Schwerpunkt der Querschnittsform zum unteren Ende entlang der vertikalen Achse. |
T-Profil
![]() |
B. Breite: die äußere Breite der Querschnittsform. H. Höhe: die äußere Höhe der Querschnittsform. h1. Höhe Ausklinkung: Höhe des Auslegerflanschs in der Querschnittsform. b1. Länge Ausklinkung: Länge des Auslegerflanschs in der Querschnittsform. y. Schwerpunkt horizontal: die Entfernung vom Schwerpunkt der Querschnittsform zum linken Ende entlang der horizontalen Achse. z. Schwerpunkt vertikal: die Entfernung vom Schwerpunkt der Querschnittsform zum unteren Ende entlang der vertikalen Achse. |
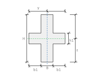
Kreuzform
![]() |
B. Breite: die äußere Breite der Querschnittsform. H. Höhe: die äußere Höhe der Querschnittsform. h1. Höhe Ausklinkung: Höhe des Auslegerflanschs in der Querschnittsform. b1. Länge Ausklinkung: Länge des Auslegerflanschs in der Querschnittsform. y. Schwerpunkt horizontal: die Entfernung vom Schwerpunkt der Querschnittsform zum linken Ende entlang der horizontalen Achse. z. Schwerpunkt vertikal: die Entfernung vom Schwerpunkt der Querschnittsform zum unteren Ende entlang der vertikalen Achse. |
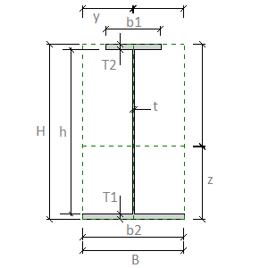
I-Profil geschweißt (Stahl durchbrochen und geschweißt)
![]() |
B. Breite: die äußere Breite der Querschnittsform. H. Höhe: die äußere Höhe der Querschnittsform. T2. Dicke oberer Flansch: der Abstand zwischen den Außenflächen des oberen Flanschs in der Querschnittsform eines durchbrochenen oder geschweißten Elements. b1. Breite oberer Flansch: die äußere Breite des oberen Flanschs in der Querschnittsform eines durchbrochenen oder geschweißten Elements. T1. Dicke unterer Flansch: der Abstand zwischen den Außenflächen des unteren Flanschs in der Querschnittsform eines durchbrochenen oder geschweißten Elements. b2. Breite unterer Flansch: die äußere Breite des unteren Flanschs in der Querschnittsform eines durchbrochenen oder geschweißten Elements. t. Stegdicke: der Abstand zwischen den Außenflächen des Stegs in der Querschnittsform. H Steghöhe: der am Steg entlang gemessene Abstand zwischen den Flanschen in der Querschnittsform. y. Schwerpunkt horizontal: die Entfernung vom Schwerpunkt der Querschnittsform zum linken Ende entlang der horizontalen Achse. z. Schwerpunkt vertikal: die Entfernung vom Schwerpunkt der Querschnittsform zum unteren Ende entlang der vertikalen Achse. |