| Property | Example | Description |
|---|---|---|
|
Recall Point: code used to connect the active figure with a segment from the last point, or a specified pointID. |
EP1 RPN EP1 RPN101 |
EP1 is the figure name and continues an active figure if the name matches. RPN is the Recall Point code and if there is no point it connects from the previous point to the current point and inserts a segment before the current point. The code EP1 RPN101 connects from the current point to the indicated point. |
|
Connect Point: code used to indicate the creation of a new figure (of the same feature) with a single line segment from the current point to the specified point ID. The specified point ID follows the Connect Point code. |
EP1 B CPN101 |
In this example, a new figure is created at the current point, and also another new figure with a single line segment is drawn to point 101, called EP1.CPN101. The figure name can be modified using the Figure Properties command. |
|
The Connect Point code always creates a figure composed of a single line segment. The following illustration shows an example of the Connect Point code: ![]() |
||
|
Rectangle: code used to offset the segment coming into the current point by the specified number. |
BLD1 <Rectangle>40 |
A positive number indicates an offset to the right, a negative number indicates an offset to the left, which is relative to the direction of the line segment coming in to the current point. If no number follows the Rectangle code, this code closes the figure by performing a perpendicular/perpendicular line intersection between the previous segment coming into the current point and the first segment of the figure. Note:
A Rectangle code without a number requires at least three points previously located on the current figure. |
|
The following illustration shows the Rectangle code with a specified value of 40: ![]() |
||
|
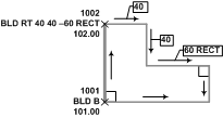
Right Turn: code used with a line segment code to allow for additional vertices to be inserted perpendicular into the figure, or as extensions (straight offsets). |
BLD1 RT X10.1 5 -12.2 -5 -12.2 |
Continues an active figure BLD1 to the current point, extends the current segment 10.1 units, and then draws perpendicular segments for each value. Offset values, <Extend>, or <Rectangle> codes follow the <Right turn> code. Positive numbers indicate a jog to the right and negative numbers indicate a jog to the left. Note:
Use <Extend><Value> to make an extension straight ahead by using a positive # or behind by using a negative #. Note:
Use the <Rectangle> code to complete the <Right turn> code, closing back to the starting segment as a perpendicular/perpendicular line intersection from the current figure line segment. |
|
The following illustration shows examples of the Right Turn code and the Rectangle code: ![]() |
||
|
Extend: code that is used to make an extension of a line segment ahead through the current point by using a positive value or a line segment that is short of the current point by using a negative value. |
BLD1 X15.5 |
BLD1 continues an active figure, X is the Extend code, and 15.5 is the value that the figure line segment is extended through the current point. |
|
The following illustrations show examples of the Extend code, Right Turn code, and Rectangle code: ![]() |
||