ChannelDrain

The ChannelDrain subassembly inserts points and links to create a channel drain to collect water along a travelled way.

Attachment

The attachment point is at the inside edge of the channel drain. This component can be attached to either the left or right side.

Input Parameters

Note: All dimensions are in meters or feet unless otherwise noted. All slopes are in run-over-rise form (for example, 4 : 1) unless indicated as a percent slope with a “%” sign.

Parameter

Description

Type

Default

Side Specifies which side to place the subassembly. Left / Right Right

Target Parameters

This section lists the parameters in this subassembly that can be mapped to one or more target objects. For more information, see To Specify Corridor Targets.

Parameter

Description

Status

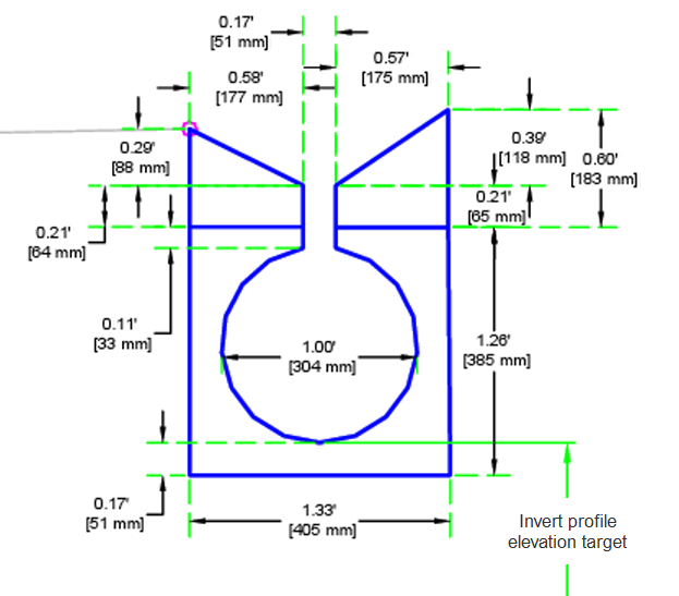
Elevation May be used to override the pipe invert. The following object types can be used as targets for specifying the elevation: profiles, 3D polylines, feature lines, or survey figures. Optional

Runtime Logical Assignments

None.

Output Parameters

None.

Behavior

The initial point is set at the attachment point. The points and links are then created based on the values stored within the subassembly.

Layout Mode Operation

In layout mode, this subassembly draws the subassembly.

Point, Link, and Shape Codes

The following table lists the point, link, and shape codes for this subassembly that have codes assigned to them. Point, link, or shape codes for this subassembly that do not have codes assigned are not included in this table.

Point, Link, or Shape

Code

Description

P1-P4, P9, P10 Concrete Concrete corners of inlet
P5, P8 ConcBottom Bottom corner of concrete
P6, P7 Slurry Slurry
P11-P13 Pipe Pipe points
L1, L2 Concrete, Top Top of concrete
L3, L7, L10, L11 Concrete Concrete of inlet
L5 Slurry Pipe slurry
L12-L14 Pipe Pipe links
S1, S2 Concrete Inlet Concrete
S3 Slurry Slurry around pipe

Coding Diagram