Description: Specifies viscoelastic material properties for use in nonlinear analysis.
Format:
Example:
| Field | Definition | Type | Default | ||
|---|---|---|---|---|---|
| MID | Unique material identification number or identification number of a MAT1 entry. | Integer > 0 | Required | ||
| GFUNC | Identification number of a TABVE entry. The TABVE table contains a series of shear modulii and decay coefficients to represent the shear modulus relaxation function of the material. | Integer > 0 or blank | |||
| KFUNC | Identification number of a TABVE entry. The TABVE table contains a series of bulk modulii and decay coefficients to represent the bulk modulus relaxation function of the material. | Integer > 0 or blank | |||
| RHO | Mass density. | Real or blank | 0.0 | ||
| A | Thermal expansion coefficient. | Real or blank | 0.0 | ||
| SHIFT | Time-temperature superposition shift law, selected by one of the following values:
|
Integer | WLF | ||
| C1, C2 | Material constants used by the WLF or Arrhenius shift function. | Real | 0.0 | ||
| T0 | Reference temperature used by the WLF or Arrhenius shift function. | Real ≠ 0.0 if SHIFT = 2 | Required if SHIFT = 2 |
Remarks:
where the stress at each relaxation component is calculated by:
and
and
are deviatoric stresses without relaxation.
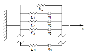
The viscoelastic relaxation occurs in the shear and/or bulk modulus. The modulus E in the following figure should be interpreted either shear modulus G or bulk modulus K.
Figure 1. Viscoelastic Material Idealization
Where,
is stiffness at an infinite time
is stiffness at the initial time
The
and
terms are defined using the
TABVE Bulk Data entry where 0 ≤ N ≤ 120.
where two different scaling functions are supported.