| Propiedad | Ejemplo | Descripción |
|---|---|---|
|
Recuperar punto: código utilizado para conectar la figura activa con un segmento desde el último punto, o un identificador de punto específico. |
EP1 RPN EP1 RPN101 |
EP1 es el nombre de la figura y continúa una figura activa si el nombre coincide. RPN es el código Recuperar punto y si no hay ningún punto, conecta desde el punto anterior al punto actual e inserta un segmento delante del punto actual. El código EP1 RPN101 conecta desde el punto actual al punto indicado. |
|
Punto de conexión: código utilizado para indicar la creación de una figura nueva (del mismo elemento) con un único segmento de línea desde el punto actual al identificador de punto especificado. El identificador de punto especificado se muestra tras el código Punto de conexión. |
EP1 B CPN101 |
En este ejemplo, se crea una figura nueva en el punto actual y también se dibuja hasta el punto 101 otra figura nueva con un único segmento de línea, denominada EP1.CPN101. El nombre de la figura se puede modificar mediante el comando Propiedades de figura. |
|
El código Punto de conexión siempre crea una figura integrada por un único segmento de línea. La siguiente ilustración muestra un ejemplo del código Punto de conexión: ![]() |
||
|
Rectángulo: código utilizado para el desfase del segmento que entra en el punto actual mediante el número especificado. |
BLD1 <Rectángulo>40 |
Un número positivo indica un desfase hacia la derecha, un número negativo indica un desfase hacia la izquierda, relativo a la dirección del segmento de línea que entra en el punto actual. Si no se incluye ningún número a continuación del código Rectángulo, este código cerrará la figura realizando una intersección de línea perpendicular/perpendicular entre el segmento anterior que entra en el punto actual y el primer segmento de la figura. Nota:
Un código Rectángulo sin un número requiere como mínimo de tres puntos ubicados con anterioridad en la figura actual. |
|
La siguiente ilustración muestra el código Rectángulo con un valor especificado de 40: ![]() |
||
|
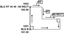
Giro a la derecha: código utilizado con un código de segmento de línea para permitir que se inserten vértices adicionales en la perpendicular a la figura, o bien como extensión (desfase rectos). |
BLD1 RT X10.1 5 -12.2 -5 -12.2 |
Continúa una figura activa BLD1 hasta el punto actual, extiende el segmento actual 10.1 unidades y, a continuación, dibuja los segmentos perpendiculares para cada valor. Los valores de desfase, <Alargar> o los códigos <Rectángulo> se incluyen a continuación del código <Giro a la derecha>. Los números positivos indican un recodo a la derecha los números negativos, un recodo a la izquierda. Nota:
Utilice <Alargar><Valor> para alargar el segmento hacia delante utilizando un número positivo, o bien hacia atrás utilizando un número negativo. Nota:
Utilice el código <Rectángulo> para finalizar el código <Giro a la derecha>, cerrando hasta volver al segmento de inicio como una intersección de línea perpendicular/perpendicular desde el segmento de línea de la figura actual. |
|
En la siguiente ilustración se muestran ejemplos de los códigos Giro a la derecha y Rectángulo: ![]() |
||
|
Alargar: código que se utiliza para alargar un segmento de línea más allá del punto actual si se utiliza un valor positivo, o utilizar un segmento de línea más corto que el punto actual si se utiliza un valor negativo. |
BLD1 X15.5 |
BLD1 continúa una figura activa, X es el código Alargar y 15.5 es el valor que el segmento de línea de la figura se ha alargado más allá del punto actual. |
|
Las ilustraciones siguientes muestran ejemplos de los códigos Alargar, Giro a la derecha y Rectángulo: ![]() |
||