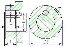
Valores recomendados
d = (0,12 - 0,25) D
l = (1 - 1,5) D
Longitud activa del pasador
La longitud activa del pasador l f disminuye con los chalanes y los empalmes. y suele soportar la carga.
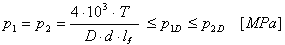
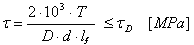
Fórmulas en unidades métricas
Par de torsión transferido
Comprobación de tensión de corte
Comprobación de presión de contacto
donde:
|
P |
potencia transferida [kW] |
|
|
n |
velocidad [rpm] |
|
|
T |
par de torsión [Nm] |
|
| τ |
tensión de corte [MPa] |
|
|
τ A |
tensión de corte admitida [MPa] |
|
|
d |
diámetro del pasador [mm] |
|
|
p 1 |
presión en el eje [MPa] |
|
|
p 2 |
presión en la brida [MPa] |
|
|
p 1A |
presión admitida en el eje [MPa] |
|
|
p 2A |
presión admitida en la brida [MPa] |
|
|
D |
diámetro del eje [mm] |
|
|
D 1 |
diámetro de la brida [mm] |
|
|
l f |
longitud activa del pasador [mm] |
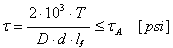
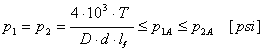
Fórmulas en unidades imperiales
Par de torsión transferido
Comprobación de tensión de corte
Comprobación de presión de contacto
donde:
|
P |
potencia transferida [CV] |
|
|
n |
velocidad [rpm] |
|
|
T |
par de torsión [libras/pies] |
|
| τ |
tensión de corte [lpc] |
|
|
τ A |
tensión de corte admitida [lpc] |
|
|
d |
diámetro del pasador [pulg] |
|
|
p 1 |
presión en el eje [lpc] |
|
|
p 2 |
presión en la brida [lpc] |
|
|
p 1A |
presión admitida en el eje [lpc] |
|
|
p 2A |
presión admitida en la brida [lpc] |
|
|
D |
diámetro del eje [pulg] |
|
|
D 1 |
diámetro de la brida [pulg] |
|
|
l f |
longitud activa del pasador [pulg] |