Acerca de las tablas

Una tabla contiene las coordenadas de objetos específicos de un modelo:

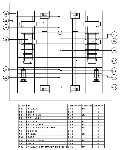
o es una lista de materiales, que recoge componentes/subensamblajes utilizados en un ensamblaje:

Si Microsoft Excel está instalado en su ordenador, se crean tablas embebidas.

Se pueden crear tablas para:

También puede modificar tablas para añadir más entradas.