Cotas de formas de sección de acero (otros)

Revise y modifique los valores de los parámetros de cota de forma de sección de otros elementos de armazón estructural de acero.

Estas propiedades de tipo se crean a partir del parámetro de categoría de familia Forma de sección que corresponde al elemento.

Forma de sección Parámetros de cota de forma disponibles
Barra rectangular

B. Anchura: la anchura externa de la forma de sección.

H. Altura: la altura externa de la forma de sección.

y. Centroide horizontal: la distancia desde el centroide de la forma de sección hasta las extremidades izquierdas del eje horizontal.

z. Centroide vertical: la distancia desde el centroide de la forma de sección hasta las extremidades inferiores del eje vertical.

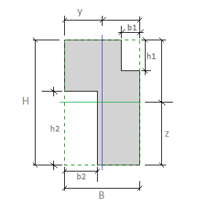
Corte rectangular

B. Anchura: la anchura externa de la forma de sección.

H. Altura: la altura externa de la forma de sección.

h1. Altura de corte de parte superior: la altura del corte en la parte superior de una forma de sección de corte rectangular.

b1. Anchura de corte de parte superior: la anchura del corte en la parte superior de una forma de sección de corte rectangular.

h2. Altura de corte de parte inferior: la altura del corte en la parte superior de una forma de sección de corte rectangular.

b2. Anchura de corte de parte inferior: la anchura del corte en la parte superior de una forma de sección de corte rectangular.

y. Centroide horizontal: la distancia desde el centroide de la forma de sección hasta las extremidades izquierdas del eje horizontal.

z. Centroide vertical: la distancia desde el centroide de la forma de sección hasta las extremidades inferiores del eje vertical.

Barra redonda

D. Diámetro: el diámetro externo de la forma de sección redonda.

y. Centroide horizontal: la distancia desde el centroide de la forma de sección hasta las extremidades izquierdas del eje horizontal.

z. Centroide vertical: la distancia desde el centroide de la forma de sección hasta las extremidades inferiores del eje vertical.

Forma en T

B. Anchura: la anchura externa de la forma de sección.

H. Altura: la altura externa de la forma de sección.

h1. Altura de voladizo: la altura del ala del voladizo en la forma de sección.

b1. Longitud de voladizo: la longitud del ala del voladizo en la forma de sección.

y. Centroide horizontal: la distancia desde el centroide de la forma de sección hasta las extremidades izquierdas del eje horizontal.

z. Centroide vertical: la distancia desde el centroide de la forma de sección hasta las extremidades inferiores del eje vertical.

Forma de cruz

B. Anchura: la anchura externa de la forma de sección.

H. Altura: la altura externa de la forma de sección.

h1. Altura de voladizo: la altura del ala del voladizo en la forma de sección.

b1. Longitud de voladizo: la longitud del ala del voladizo en la forma de sección.

y. Centroide horizontal: la distancia desde el centroide de la forma de sección hasta las extremidades izquierdas del eje horizontal.

z. Centroide vertical: la distancia desde el centroide de la forma de sección hasta las extremidades inferiores del eje vertical.

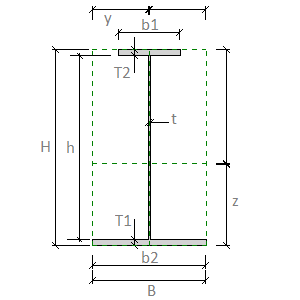
Soldada, en forma de I (acero almenado y soldado)

B. Anchura: la anchura externa de la forma de sección.

H. Altura: la altura externa de la forma de sección.

T2. Grosor de ala superior: la distancia entre las superficies exteriores del ala superior en la forma de sección de un elemento almenado o soldado.

b1. Anchura de ala superior: la anchura externa del ala superior en la forma de sección de un elemento almenado o soldado.

T1. Grosor de ala inferior: la distancia entre las superficies exteriores del ala inferior de la forma de sección de un elemento almenado o soldado.

b2. Anchura de ala inferior: la anchura externa del ala inferior en la forma de sección de un elemento almenado o soldado.

t. Grosor de celosía: la distancia entre las superficies exteriores de la celosía en la forma de sección.

h. Altura de celosía: la distancia a lo largo de la celosía entre las alas en la forma de sección.

y. Centroide horizontal: la distancia desde el centroide de la forma de sección hasta las extremidades izquierdas del eje horizontal.

z. Centroide vertical: la distancia desde el centroide de la forma de sección hasta las extremidades inferiores del eje vertical.