Vous pouvez créer plusieurs types de cotes pour différents types d'objet suivant de nombreux axes et orientations.
Les types de cotation de base sont les suivants : linéaire, radiale, angulaire, superposée et de longueur d'arc. Utilisez la commande COT pour créer des cotes automatiquement en fonction du type d'objet que vous souhaitez coter.
Vous pouvez contrôler l'apparence des cotes en paramétrant des styles de cote ou en modifiant les cotes individuellement dans certains cas. Les styles de cote vous permettent de définir rapidement vos conventions et de garantir le respect des normes de cotation du projet ou du secteur.
Les cotes linéaires peuvent être horizontales, verticales ou alignées. Vous pouvez créer une cote alignée, horizontale ou verticale à l'aide de la commande COT selon la façon dont vous déplacez le curseur lors de l'insertion du texte.


Une cote radiale mesure le rayon ou le diamètre des arcs et des cercles avec un trait d'axe ou une marque de centre (facultatifs). Plusieurs options sont affichées dans l'illustration.

Les cotes angulaires mesurent l'angle entre trois points ou deux objets géométriques sélectionnés. De gauche à droite, l'exemple montre des cotes angulaires créées à l'aide d'un sommet et de deux points, d'un arc et de deux lignes.

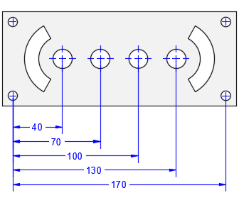
Les cotes superposées mesurent les distances perpendiculaires entre le point d'origine, appelé datum (un trou dans une pièce, par exemple). En effectuant toutes les mesures à partir du même datum, vous évitez les risques d'erreur et d'imprécision résultant du total cumulé des distances.

Dans cet exemple, le datum (0,0) est indiqué comme étant le perçage dans le coin inférieur gauche du panneau de l'illustration.
Les cotes de longueur d'arc mesurent la distance le long d'un arc ou d'un segment d'arc de polyligne. Les cotes de longueur d'arc sont habituellement utilisées pour mesurer la distance de trajet autour d'une caméra ou pour indiquer la longueur d'un câble.
Pour les différencier des cotes linéaires ou angulaires, elles affichent un symbole d'arc par défaut. Ce symbole, également appelé "chapeau" ou "capsule", s'affiche sous le texte de la cote ou juste devant.

Les cotes continues, également appelées cotes en série, sont un ensemble de cotes mises bout à bout.

Les cotes de lignes de base sont un ensemble de plusieurs cotes dont les lignes de cote sont décalées et mesurées à partir du même emplacement.

Par défaut, tous les nouveaux objets sont créés sur le calque actuel . Pour les nouveaux objets de dimension, vous pouvez spécifier un calque par défaut différent du calque actuel en spécifiant le calque avec la variable système DIMLAYER.
Les lignes de guidage des lignes de repère, les composants des cotes et les objets texte déterminent leurs directions horizontales et verticales à partir des axes du SCU au moment où ils sont créés. Si une vue est pivotée dans un dessin, vous pouvez tout d'abord utiliser l'option SCU/Vue pour définir les directions horizontales et verticales par rapport au dessin plutôt que la vue pivotée.