

. Trouver
(Facultatif) Pour le nombre de broches, cliquez sur Choisir et tracez un trajet montrant la longueur du connecteur approprié.
L'image d'aperçu se met à jour pour prendre en compte les changements apportés aux options d'affichage du connecteur.
Un aperçu du connecteur s'affiche pour montrer sa position dans le dessin. Il affiche les angles arrondis du côté de la prise du connecteur. Un "x" indique le point d'insertion du connecteur et une flèche indique la direction de la connexion du fil du côté de la prise.
Si vous avez choisi d'autoriser les espacements et coupures, dans la boîte de dialogue Espaces/Coupures de broches personnalisés, cliquez sur Couper le symbole maintenant afin de rompre le connecteur et d'ouvrir la boîte de dialogue Présentation du connecteur, dans laquelle vous pourrez définir le mode d'insertion des broches restantes dans le dessin.


. Trouver
Si vous sélectionnez Oui (par défaut), l'orientation du texte des attributs ne change pas lors de la rotation du connecteur.
Le connecteur pivote automatiquement de 90 degrés.
Exemple : maintien de l'orientation des attributs = oui
![]() |
![]() |
![]() |
![]() |
|
Original |
Première rotation |
Deuxième rotation |
Troisième rotation |
Exemple : maintien de l'orientation des attributs = non
![]() |
![]() |
![]() |
![]() |
|
Original |
Première rotation |
Deuxième rotation |
Troisième rotation |


. Trouver
Le connecteur s'inverse automatiquement compte tenu de son orientation originale.


. Trouver
Astuces et conseils


. Trouver


. Trouver
Le prochain numéro de broche disponible est fonction des broches existantes et d'une liste des broches facultative associée au connecteur sélectionné. Les valeurs BROCHES définies dans le symbole père sont demandées dans la base de données du projet pour déterminer le prochain numéro de broche disponible sur le composant du connecteur. Une vérification est effectuée dans le projet entier pour trouver les numéros de broches utilisés sur les symboles de connecteur père et fils. Si aucune valeur BROCHES n'est définie, le prochain numéro de broche séquentiel disponible (en fonction des broches existantes) est utilisé. Les affectations de broches peuvent être des numéros, des lettres ou les deux.
Astuces et conseils


. Trouver
L'attribut de numéro de broche sur le bloc de connecteur disparaît. Cet attribut ainsi que les attributs de description et de connexion de fil associés ne sont pas immédiatement supprimés du connecteur. Ils sont renommés de façon à être ignorés. Si le connecteur est ensuite étiré ou divisé, ces attributs de broche supprimés seront alors purgés de l'instance du bloc de connecteur.


. Trouver
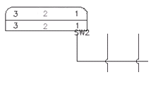
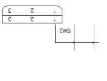
Des graphiques temporaires sont dessinés autour du numéro de broche sélectionné pour indiquer qu'il a été intégré à la liste de permutation.
Les broches du connecteur sont permutées entre les deux sélections.


. Trouver
Les broches se replacent le long de l'axe central du connecteur, même si votre point de sélection est éloigné d'un des côtés du connecteur. Vous pouvez également spécifier un emplacement au-delà de l'une des extrémités de la coque du connecteur courant, puis utiliser l'outil Etirer le connecteur pour étendre la coque afin qu'elle entoure ces broches.


. Trouver