Ajout de descripteurs de connecteurs

Ajoutez des valeurs de description aux côtés fixe et mobile d'un connecteur.

AutoCAD Electrical toolset prend en charge deux lignes de texte de description sur chaque connecteur : une pour le connecteur mobile et une pour le côté du connecteur fixe du connecteur.

Ajout de descriptions

  1. Cliquez sur PJ1 avec le bouton droit de la souris, puis choisissez Modifier le composant.
  2. Dans la boîte de dialogue Insérer/Modifier un composant, section Broches, cliquez sur Liste.
  3. Dans la boîte de dialogue Numéros de broches du connecteur en cours d'utilisation, dans la grille des broches de connecteur, cliquez sur la colonne Description pour la broche 1.
  4. Dans la section Description des broches, entrez ALIMENTATION B2 pour le connecteur fixe.
  5. Dans la grille des broches de connecteur, cliquez sur la colonne Description pour la broche 2.
  6. Dans la description des broches, saisissez ALIMENTATION B3 pour le connecteur fixe.
  7. Dans la grille des broches de connecteur, cliquez sur la colonne Description pour la broche 3.
  8. Dans la section Description des broches, entrez ALIMENTATION B4 pour le connecteur fixe.
  9. Cliquez sur OK.
  10. Dans la boîte de dialogue Insérer/Modifier un composant, cliquez sur OK.
  11. Répétez ces opérations pour ajouter la description ALIMENTATION ACTIVEE aux broches A des boîtes noires 2, 3 et 4.

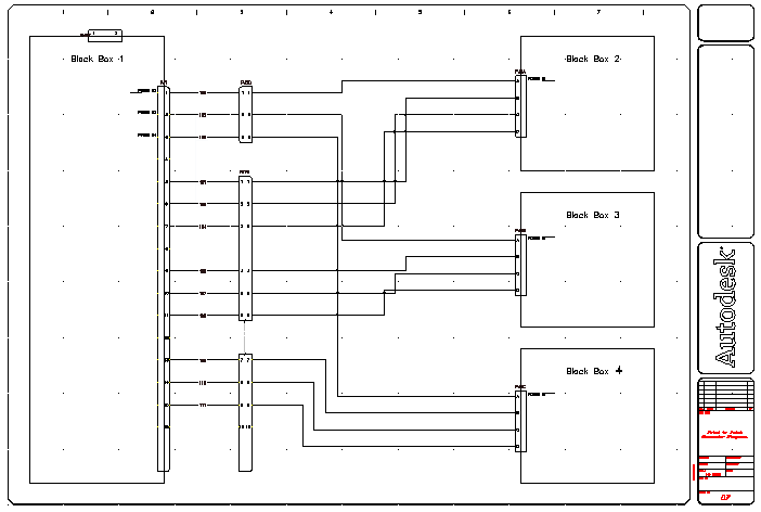
    Votre diagramme point à point terminé ressemble à l'image qui suit.