Vérifiez les commandes de base d'AutoCAD et d'AutoCAD LT.
Après avoir lancé AutoCAD ou AutoCAD LT, cliquez sur le bouton Commencer le dessin de l'onglet Début pour démarrer un nouveau dessin.

Un ruban à onglets standard apparaît dans la partie supérieure de la zone de dessin. Vous pouvez accéder à la quasi-totalité des commandes présentées dans ce guide à partir de l'onglet Début. De plus, la barre d'outils d'accès rapide affichée ci-dessous contient des commandes standard telles que Nouveau, Ouvrir, Enregistrer, Imprimer et Annuler.

La fenêtre de commande, généralement ancrée en bas de la fenêtre de l'application, est au cœur du programme. La fenêtre de commande affiche des invites, des options et des messages.

Dans la fenêtre de commande, vous pouvez entrer directement des commandes au lieu d'utiliser le ruban, les barres d'outils et les menus. De nombreux utilisateurs expérimentés préfèrent cette méthode.
Lorsque vous commencez à saisir une commande, elle est complétée automatiquement. Lorsqu'il existe plusieurs possibilités, comme dans l'exemple ci-dessous, vous pouvez effectuer votre choix en cliquant dessus ou à l'aide des touches fléchées, puis appuyer sur la touche Entrée ou sur la barre d'espace.

La plupart des utilisateurs utilisent un périphérique de pointage de type souris, mais d'autres périphériques disposent de commandes équivalentes.

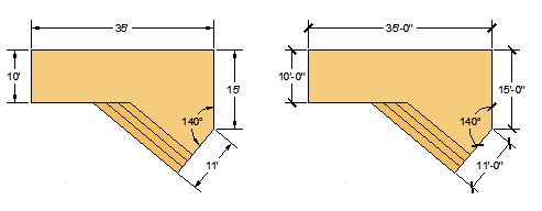
Vous pouvez facilement vous conformer aux normes du secteur ou de l'entreprise en spécifiant des paramètres pour le texte, les cotes, les types de ligne et plusieurs autres fonctions. Par exemple, la conception de cette terrasse affiche deux styles de cote différents.

Tous ces paramètres peuvent être enregistrés dans un fichier de gabarit de dessin. Cliquez sur Nouveau pour sélectionner l'un des fichiers de gabarit de dessin proposés :


Les fichiers de gabarit du didacticiel de la liste sont des exemples simples pour les disciplines de conception architecturales ou mécaniques disposant de versions avec unités anglo-saxonnes (i) et métriques (m). Il peut être utile de faire quelques essais.
La plupart des entreprises utilisent des fichiers de gabarit de dessin conformes à leurs normes. Elles utilisent souvent différents fichiers de gabarit de dessin selon le projet ou le client.
Vous pouvez enregistrer un fichier dessin (.dwg) en tant que fichier de gabarit de dessin (.dwt). Vous pouvez également ouvrir un fichier gabarit de dessin existant, le modifier, puis l'enregistrer, en utilisant éventuellement un autre nom de fichier.

Si vous travaillez de façon indépendante, vous pouvez créer vos fichiers de gabarit de dessin en fonction de vos habitudes de travail. Vous pouvez ajouter les paramètres d'autres fonctions à mesure que vous vous familiarisiez avec elles.
Pour modifier un fichier gabarit de dessin existant, cliquez sur Ouvrir, spécifiez le format Drawing Template (*.dwt) dans la boîte de dialogue Sélectionner un fichier, puis sélectionnez le fichier gabarit.

Lorsque vous commencez un dessin, vous devez d'abord décider à quoi correspond la longueur d'une unité (un pouce, un pied, un centimètre, un kilomètre ou toute autre unité de longueur). Par exemple, les objets ci-dessous peuvent représenter deux bâtiments de 125 pieds de long chacun ou une partie d'une pièce mécanique mesurée en millimètres.

Une fois que vous avez choisis l'unité de longueur à utiliser, la commande UNITES permet de gérer plusieurs paramètres d'affichage des unités, y compris les suivantes :
Si vous prévoyez d'utiliser des pieds et des pouces, utilisez la commande UNITES pour définir le type d'unité sur Architectural, puis lorsque vous créez des objets, spécifiez leurs longueurs en pouces. Si vous souhaitez utiliser des unités métriques, conservez le type d'unité défini sur Décimal. La modification du format et de la précision de l'unité n'a aucune incidence sur la précision interne de votre dessin. Cela affecte uniquement la façon dont les longueurs, les angles et les coordonnées sont affichés dans l'interface utilisateur.
Créez toujours vos modèles à taille réelle (échelle 1:1). Le terme objet fait référence à la géométrie de votre conception. Un dessin inclut la géométrie de l'objet, ainsi que les vues, les notes, les cotes, les repères de vue, les tables et le cartouche affichés dans la présentation.
Vous indiquerez l'échelle d'impression d'un dessin sur une feuille de taille standard ultérieurement, lors de la création de la présentation.

Appuyez sur la touche Echap pour annuler cette opération de présélection.