Annotations de tôlerie dans les dessins

Présente la manière dont les notes et les tables sont utilisées pour ajouter des instructions de pliage et de poinçonnage.

Annotations de pli

Une note de pli contient des informations de fabrication se rapportant aux traits d'axe du pli de tôlerie. Les notes de pli sont associées à une vue de dessin.

Une table de pliage répertorie les propriétés de tous les plis dans une vue de mise à plat d'une pièce en tôle.

Les libellés de pli ont pour fonction d'associer des lignes d'une table de pli à la géométrie de la vue. Après l'insertion de la table de pliage dans le dessin, des libellés de pli sont ajoutés automatiquement à la vue de dessin sélectionnée. les libellés de pli adoptent le format défini par le style de cote et ne possèdent pas de ligne de repère par défaut. éloignez le texte du libellé de pli de sa position d'origine afin d'ajouter une ligne de repère au libellé de pli.

Remarques :

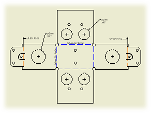
Annotations de poinçonnage

Une note de poinçonnage inclut des données relatives au poinçonnage, par exemple ses ID, angle, sens, profondeur, note de quantité, etc. Le style par défaut des notes de poinçonnage est défini dans l'onglet Notes et lignes de repère du panneau Style de cote.

Avant de créer une table de poinçonnage, vous devez récupérer les centres de poinçonnage. Les centres de poinçonnage sont représentés par des marques de centre dans une vue de dessin. Si vous créez une table de perçage basée sur la vue et décidez d'inclure des centres de poinçonnage récupérés, toutes les marques de centre de poinçonnage visibles sont insérées dans la table de perçage sous forme de lignes individuelles. Les libellés correspondants sont créés dans la vue de dessin.

Servez-vous de la commande Table de perçage pour créer une table de poinçonnage. Si besoin est, changez les filtres par défaut sous Style de table de perçages afin d'inclure les centres de poinçonnage récupérés dans la table de perçage par défaut.

Remarques :

Unités secondaires des annotations de pliage et de poinçonnage

Les notes de pli et de poinçonnage peuvent afficher les valeurs de cote dans des unités secondaires. Sélectionnez l'affichage des unités secondaires dans l'onglet Unités secondaires de la boîte de dialogue Style de cote.

Pour afficher les valeurs des unités secondaires dans les tables de pli ou de poinçonnage, ajoutez les colonnes des unités secondaires à la table en accédant à la boîte de dialogue Sélecteur de colonne.

Remarque : En cas de sélection du format des secondes unités, les valeurs de précision et tolérance s'affichent également dans le format des secondes unités.