Par défaut, les cotes automatiques de l'esquisse sont désactivées. Elles s'affichent s'il existe au moins une cote libellée dans la famille.
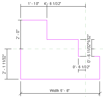
Remarquez dans l'illustration suivante qu'une cote est ajoutée à la géométrie, mais qu'elle ne possède aucun libellé.

Aucune cote automatique de l'esquisse n'est visible.
Pour activer la visibilité des cotes automatiques d'esquisse
le groupe de fonctions Graphismes
(Visibilité/Graphismes) ou tapez VG. Les cotes automatiques de l'esquisse s'affichent.

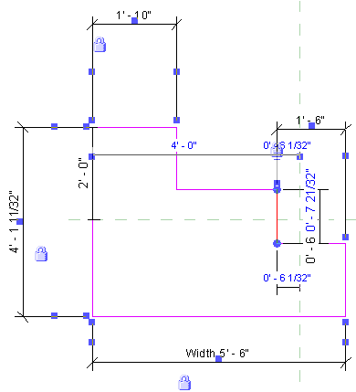
Revit connaît désormais l'emplacement de chaque ligne de la géométrie par rapport aux plans de référence ou aux autres lignes de l'esquisse.
Lors de l'ajout de cotes verrouillées, ces nouvelles cotes remplacent les cotes automatiques de l'esquisse, comme illustré.
