Az AutoCAD és AutoCAD LT alapvető vezérlőelemeinek áttekintése.
Az AutoCAD vagy az AutoCAD LT elindítása után az Indítás lap Kezdjen rajzolni gombjára kattintva kezdhet új rajzot.

Egy általános, lapokra osztott szalag jelenik meg a rajzterület tetején. Az útmutatóban ismertetett összes parancs szinte mindegyikét elérheti a Kezdőlapról. Az alábbi Gyorselérés eszköztár továbbá a már ismerős Új, Megnyitás, Mentés, Nyomtatás, és Visszavonás parancsokat tartalmazza.

A program legfontosabb eleme a Parancsablak, amely alaphelyzetben az alkalmazásablak aljához rögzítve található. A Parancsablakban promptok, opciók és üzenetek láthatók.

A szalagok, eszköztárak és menük helyett közvetlenül a Parancsablakban is megadhat parancsokat. A régi felhasználók közül sokan ezt a módszert használják.
Amint elkezd beírni egy parancsot, a rendszer automatikusan kiegészíti. Ha több lehetőség is elérhető (mint az alábbi példánál), akkor kattintással vagy a nyíl billentyűkkel a kiválasztott opcióra lépve, majd az Enter vagy Szóköz billentyű lenyomásával választhat közülük.

A legtöbb felhasználó az egeret használja mutatóeszközként, de más eszközök is ugyanilyen vezérlési lehetőségekkel rendelkeznek.

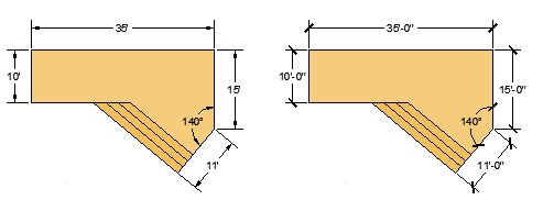
A szöveg, méret, vonaltípus és egyéb tulajdonságok megadásával könnyedén alkalmazkodhat az iparág vagy a vállalat szabványaihoz. Ezen a hátsó teraszon például két különböző méretstílus jelenik meg.

Ezeket a beállításokat egy rajzsablon fájlba mentheti el. Az Új lehetőségre kattintva számos rajzsablonfájl közül választhat:


A listán levő „Gyakorlókönyv” sablonfájlok mind az angolszász (i), mind a metrikus (m) verzióban bemutatnak néhány egyszerű példát az építészeti és a gépészeti tervezési szakághoz. Kísérletezzen velük.
A legtöbb vállalat a szabványainak megfelelő rajzsablonfájlokat használ. A projekttől vagy az ügyféltől függően gyakran más rajzsablonfájlokat is használhatnak.
Minden rajzfájlt (.dwg) elmenthet rajzsablonfájlként (.dwt). A már létező rajzsablonfájlokat is megnyithatja, módosíthatja, majd újramentheti, ha szükséges, egy új fájlnévvel.

Ha önállóan dolgozik, munkaigényeihez igazítva létrehozhatja rajzsablonfájljait, és amint megismerkedett az egyéb szolgáltatásokkal, új beállításokat adhat hozzájuk.
Létező rajzsablonfájl módosításához kattintson a Megnyitás lehetőségre, a Fájl kiválasztása párbeszédpanelen adja meg a Rajzsablont (*.dwt), majd válassza ki a sablonfájlt.

Miután hozzákezdett egy új rajzhoz, először meg kell határoznia az egységnyi hosszmértékegységet. Ez lehet hüvelyk, láb, centiméter, kilométer vagy bármely más hosszmérték. Például az alábbi objektumok ábrázolhatnak két, 125 láb hosszú épületet, de akár egy mechanikus alkatrész részletét is, amely milliméterekben mérendő.

Miután eldöntötte, hogy milyen hosszmértéket kíván használni, a MÉRTEGYS parancs segítségével többek között az alábbi egységmegjelenítési beállításokat vezérelheti:
Ha a láb és hüvelyk mértékegységekkel szeretne dolgozni, a MÉRTEGYS parancs segítségével állítsa Építészetire az egységtípust, és az objektumok létrehozásakor hüvelykben adja meg azok hosszúságát. Ha metrikus mértékegységeket szeretne használni, az egységtípust hagyja a Tizedes beállításon. Az egység formátumának és pontosságának módosítása nem befolyásolja a rajz belső pontosságát. Csak a hosszoknak, szögeknek és koordinátáknak a felhasználói felületen való megjelenésére van hatással.
Mindig teljes nagyságban hozza létre modelljeit (1:1 méretarányban). A modell kifejezés a terv geometriájára utal. A modell geometriáján túl a nézetek, a megjegyzések, a méretek, a tervhivatkozások, a táblázatok és az elrendezésben megjelenő címpecsét is a rajzban tárolódnak.
A rajz szabványméretű lapra való nyomtatásához a szükséges léptéket később, az elrendezés létrehozásakor is megadhatja.

Nyomja le az ESC billentyűt az előzetes kiválasztási művelet megszakításához.