

. Trova
(Facoltativo) Per il conteggio dei pin, fare clic su Seleziona e disegnare una fence per rappresentare la lunghezza del connettore appropriato.
L'immagine dell'anteprima viene aggiornata in base alle modifiche apportate alle opzioni di visualizzazione del connettore.
Viene visualizzato in anteprima un contorno del connettore per facilitare il posizionamento nel disegno. Gli angoli del lato spina del connettore sono arrotondati. Una 'x' indica il punto di inserimento del connettore mentre la freccia indica la direzione della connessione fili del lato spina.
Se si è scelto di consentire distanziatori/interruzioni, nella finestra di dialogo Interruzioni/spazi pin personalizzati, fare clic su Interrompi simbolo per interrompere il connettore e visualizzare la finestra di dialogo Layout connettori per definire la modalità di inserimento del resto dei pin nel disegno.


. Trova
Se si seleziona Sì (impostazione di default), l'orientamento del testo degli attributi non ruota insieme al connettore.
Il connettore ruota automaticamente di 90 gradi.
Esempio: Mantenere orientamento attributi = sì
![]() |
![]() |
![]() |
![]() |
|
Originale |
Prima rotazione |
Seconda rotazione |
Terza rotazione |
Esempio: Mantenere orientamento attributi = no
![]() |
![]() |
![]() |
![]() |
|
Originale |
Prima rotazione |
Seconda rotazione |
Terza rotazione |


. Trova
Il connettore viene invertito automaticamente in base all'orientamento originale.


. Trova
Suggerimenti


. Trova


. Trova
La numerazione dei numeri pin successivi disponibili è basata sui pin esistenti e su un elenco pin facoltativo associato al connettore selezionato. Viene eseguita una query nel database del progetto relativa ai valori di ELENCOPIN definiti nel simbolo principale al fine di determinare il successivo numero disponibile nel componente del connettore. Viene quindi eseguita una verifica dell'intero progetto finalizzata all'individuazione dei numeri pin utilizzati sui simboli principali e secondari del connettore. Se non viene rilevato alcun valore ELENCOPIN definito, viene utilizzato il successivo numero pin di sequenza disponibile, in base ai pin esistenti. Le assegnazioni di pin possono comprendere numeri o lettere, o combinazioni di entrambi.
Suggerimenti


. Trova
L'attributo di numero pin non è più visualizzato sul blocco del connettore. Tale attributo, insieme agli attributi di descrizione e connessione fili associati, non viene rimosso immediatamente dal connettore ma viene ridenominato in modo da essere ignorato. Se successivamente il connettore viene stirato o suddiviso, gli attributi pin eliminati vengono rimossi dall'istanza del blocco del connettore.


. Trova
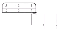
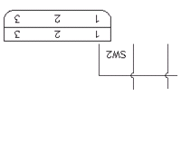
Intorno a ogni numero di pin selezionato vengono disegnati elementi grafici temporanei che indicano che tale numero di pin è stato incluso nell'elenco dei pin da scambiare.
I pin connettore vengono scambiati tra le due selezioni.


. Trova
Il riposizionamento del pin avviene lungo l'asse del connettore, anche se il punto di selezione è distante da uno dei lati del connettore. È anche possibile specificare una posizione oltre l'estremità del guscio del connettore e utilizzare lo strumento Stira connettore per estendere il guscio in modo da includere i pin.


. Trova