Questo componente sezione tipo esegue il ricoprimento di un lato di una strada esistente e aggiunge una o più corsie di percorrenza al bordo utilizzando la pendenza di sopraelevazione definita per la corsia di percorrenza esterna.

Il punto di associazione si trova in corrispondenza del bordo interno della sommità dello strato di ricoprimento se lo spessore di ricoprimento è diverso da zero, oppure al bordo interno della finitura della corsia di allargamento se lo spessore di ricoprimento è uguale a zero.
Nota: tutte le quote sono espresse in metri o in piedi, se non diversamente indicato. Tutte le pendenze sono espresse come rapporto scostamento orizzontale su differenza di quota (ad esempio 4 : 1) a meno che il segno "%" non indichi che vanno espresse in percentuale.
|
Parametro |
Descrizione |
Tipo |
Default |
|---|---|---|---|
|
Scostamento punto di controllo |
Scostamento del punto di controllo, che definisce l'inizio dello strato di ricoprimento della pavimentazione |
Numerico |
0.0 |
|
Scostamento punto di inserimento |
Scostamento del punto di inserimento della corsia di allargamento, che si trova generalmente in corrispondenza del ciglio della corsia esistente. La specifica di un valore positivo per questo parametro comporta l'inserimento del componente sezione tipo a destra di un modellatore o di una linea base di controllo. La specifica di un valore negativo determina l'inserimento a sinistra. Per ulteriori informazioni, vedere la sezione Inserimento di componenti sezione tipo sul lato destro e sinistro di un modellatore, nel capitolo Modellatori del Manuale dell'utente di Autodesk Civil 3D. |
Numerico |
0.0 |
|
Spessore ricoprimento |
Spessore del ricoprimento sulla finitura esistente in corrispondenza del punto di controllo |
Numerico, positivo |
0.100 m 0.30 piedi |
|
Larghezza |
Larghezza della corsia di allargamento |
Numerico, positivo |
3.6 m 12.0 piedi |
|
Spessore Pavimentazione1 |
Spessore dello strato Pavimentazione1 per l'allargamento della corsia (zero per omettere) |
Numerico, positivo |
0.025 m 0.083 piedi |
|
Spessore Pavimentazione2 |
Spessore dello strato Pavimentazione2 per l'allargamento della corsia (zero per omettere) |
Numerico, positivo |
0.025 m 0.083 piedi |
|
Spessore Base |
Spessore dello strato di base per l'allargamento della corsia |
Numerico, positivo |
0.100 m 0.333 piedi |
|
Spessore Sottobase |
Spessore dello strato di sottobase per l'allargamento della corsia |
Numerico, positivo |
0.300 m 1.0 piedi |
In questa sezione sono elencati i parametri del componente sezione tipo che possono essere associati ad uno o più oggetti obiettivo, quale un oggetto superficie, tracciato o profilo di una Carta. Per ulteriori informazioni, vedere Come specificare obiettivi del modellatore.
|
Parametro |
Descrizione |
Stato |
|---|---|---|
|
Superficie esistente |
Nome della superficie che definisce la sezione stradale esistente. È possibile utilizzare il seguente tipo di oggetto come obiettivo per la specificazione della superficie: superfici. |
Obbligatorio |
|
Scostamento punto di controllo |
Può essere utilizzato per sostituire il valore fisso Scostamento punto di controllo e collegare il punto ad un tracciato scostamento. È possibile utilizzare i seguenti tipi di oggetto come obiettivi per la specificazione dell'offset: tracciati, polilinee, linee caratteristiche o figure di rilievo. |
Facoltativo |
|
Scostamento punto di inserimento |
Può essere utilizzato per sostituire il valore fisso Scostamento punto di inserimento e collegare il punto ad un tracciato scostamento È possibile utilizzare i seguenti tipi di oggetto come obiettivi per la specificazione dell'offset: tracciati, polilinee, linee caratteristiche o figure di rilievo. |
Facoltativo |
|
Larghezza |
Può essere utilizzato per sostituire il valore fisso Larghezza della corsia di allargamento e collegare il bordo della corsia ad un tracciato scostamento È possibile utilizzare i seguenti tipi di oggetto come obiettivi per la specificazione dell'offset: tracciati, polilinee, linee caratteristiche o figure di rilievo. |
Facoltativo |
|
Parametro |
Descrizione |
Tipo |
|---|---|---|
|
Pendenza % |
La pendenza calcolata sulla superficie esistente dal punto campione al punto di inserimento |
Numerico |
La sopraelevazione della corsia esterna si ottiene dalle proprietà tracciato del tracciato di controllo corrente, mentre la quota altimetrica della superficie esistente viene determinata in corrispondenza dello scostamento del punto di controllo.
Se viene specificato uno spessore di ricoprimento diverso da zero, tale spessore viene applicato nel punto di controllo. La sommità dello strato di ricoprimento si estende fino allo scostamento del punto di inserimento secondo la pendenza di sopraelevazione. La forma del ricoprimento viene chiusa dalla sovrapposizione di collegamenti sopra la superficie esistente, tra i punti di controllo e i punti di inserimento, e con l'aggiunta di collegamenti verticali a ciascuna estremità. La corsia di allargamento si estende verso l'esterno secondo la pendenza di sopraelevazione per la larghezza specificata, dal bordo della superficie di ricoprimento.
Se lo spessore di ricoprimento è uguale a zero, la corsia di allargamento si estende verso l'esterno dallo scostamento del punto di inserimento sulla superficie esistente, secondo la pendenza di sopraelevazione per la larghezza specificata.
Gli strati della pavimentazione sono chiusi con collegamenti verticali a ciascuna estremità. Viene aggiunto inoltre un singolo collegamento verticale dal bordo interno della sottobase alla superficie esistente.
In modalità layout questo componente sezione tipo può essere associato a qualsiasi punto appropriato. Lo strato di ricoprimento viene visualizzato ad uno spessore uniforme con una larghezza di 3,6 metri o 12 piedi ed esteso con pendenza -2%. Se lo spessore di ricoprimento è uguale a zero, il ricoprimento viene visualizzato come collegamento singolo. La corsia di allargamento si estende dal bordo del ricoprimento con pendenza -2%.
Se utilizzate in modalità elaborazione modellatori, le forme vengono regolate sul punto di controllo selezionato, sul punto di inserimento, sulla pendenza di sopraelevazione e sulla superficie esistente.

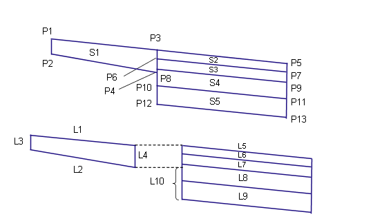
Nella tabella seguente sono elencati i codici punto, collegamento e forma di questo componente sezione tipo ai quali sono assegnati codici. Quelli che non dispongono di codice non sono inclusi nella tabella.
|
Punto, collegamento o forma |
Codice |
Descrizione |
|---|---|---|
|
P5 |
ETW |
Bordo esterno della corsia di allargamento sulla finitura |
|
P7 |
ETW_Pave1 |
Bordo esterno della corsia di allargamento su Pavimentazione1 |
|
P9 |
ETW_Pave2 |
Bordo esterno della corsia di allargamento su Pavimentazione2 |
|
P11 |
ETW_Base |
Bordo esterno della corsia di allargamento su Base |
|
P13 |
ETW_Sub |
Bordo esterno della corsia di allargamento su Sottobase |
|
L1, L5 |
Top, Pave |
Superficie di finitura |
|
L2 |
Overlay |
Sovrapposto ai collegamenti sulla superficie esistente. Si noti che possono esistere più collegamenti tra i punti P3 e P4. |
|
L6 |
Pave1 |
|
|
L7 |
Pave2 |
|
|
L8 |
Base |
|
|
L9 |
SubBase, Datum |
|
|
L10 |
Datum |
|
|
S1 |
Overlay |
Area tra ricoprimento e corsia esistente. |
|
S2 |
Pave1 |
|
|
S3 |
Pave2 |
|
|
S4 |
Base |
|
|
S5 |
SubBase |
