Questo componente sezione tipo esegue il ricoprimento di un lato di una sezione stradale esistente e aggiunge al ciglio una o più corsie di percorrenza, mantenendo le pendenze esistenti della corsia.

Il punto di associazione si trova in corrispondenza del lato interno della sommità dello strato di ricoprimento.
Nota: tutte le quote sono espresse in metri o in piedi, se non diversamente indicato. Tutte le pendenze sono espresse come rapporto scostamento orizzontale su differenza di quota (ad esempio 4 : 1) a meno che il segno "%" non indichi che vanno espresse in percentuale.
|
Parametro |
Descrizione |
Tipo |
Default |
|---|---|---|---|
|
Scostamento punto campione |
Scostamento del punto campione, che può trovarsi ovunque tra il punto di inserimento e il successivo cambio di pendenza sulla superficie stradale esistente. La posizione più comune per il punto campione è il colmo stradale, oppure il ciglio opposto della corsia, se la sezione stradale è a falda unica. |
Numerico |
0.0 |
|
Scostamento punto di inserimento |
Scostamento del punto di inserimento che si trova generalmente in corrispondenza del ciglio corsia dove deve essere eseguito l'allargamento |
Numerico |
0.0 |
|
Spessore ricoprimento |
Spessore del ricoprimento sulla finitura esistente |
Numerico, positivo |
0.100 m 0.30 piedi |
|
Larghezza |
Larghezza della corsia di allargamento |
Numerico, positivo |
3.6 m 12.0 piedi |
|
Spessore Pavimentazione1 |
Spessore dello strato Pavimentazione1 per l'allargamento della corsia (zero per omettere) |
Numerico, positivo |
0.025 m 0.083 piedi |
|
Spessore Pavimentazione2 |
Spessore dello strato Pavimentazione2 per l'allargamento della corsia (zero per omettere) |
Numerico, positivo |
0.025 m 0.083 piedi |
|
Spessore Base |
Spessore dello strato di base per l'allargamento della corsia |
Numerico, positivo |
0.100 m 0.333 piedi |
|
Spessore Sottobase |
Spessore dello strato di sottobase per l'allargamento della corsia |
Numerico, positivo |
0.300 m 1.0 piedi |
In questa sezione sono elencati i parametri del componente sezione tipo che possono essere associati ad uno o più oggetti obiettivo, quale un oggetto superficie, tracciato o profilo di una Carta. Per ulteriori informazioni, vedere Come specificare obiettivi del modellatore.
|
Parametro |
Descrizione |
Stato |
|---|---|---|
|
Superficie esistente |
Nome della superficie che definisce la sezione stradale esistente. È possibile utilizzare il seguente tipo di oggetto come obiettivo per la specificazione della superficie: superfici. |
Obbligatorio |
|
Scostamento punto campione |
Può essere utilizzato per sostituire il valore fisso Scostamento punto campione e collegare il punto ad un tracciato scostamento. È possibile utilizzare i seguenti tipi di oggetto come obiettivi per la specificazione dell'offset: tracciati, polilinee, linee caratteristiche o figure di rilievo. |
Facoltativo |
|
Scostamento punto di inserimento |
Può essere utilizzato per sostituire il valore fisso Scostamento punto di inserimento e collegare il punto ad un tracciato scostamento È possibile utilizzare i seguenti tipi di oggetto come obiettivi per la specificazione dell'offset: tracciati, polilinee, linee caratteristiche o figure di rilievo. |
Facoltativo |
|
Larghezza |
Può essere utilizzato per sostituire il valore fisso Larghezza della corsia di allargamento e collegare il bordo della corsia ad un tracciato scostamento È possibile utilizzare i seguenti tipi di oggetto come obiettivi per la specificazione dell'offset: tracciati, polilinee, linee caratteristiche o figure di rilievo. |
Facoltativo |
|
Parametro |
Descrizione |
Tipo |
|---|---|---|
|
Pendenza % |
La pendenza calcolata sulla superficie esistente dal punto campione al punto di inserimento |
Numerico |
Vengono determinate le quote altimetriche del punto campione e del punto di inserimento sulla superficie esistente, e viene calcolata la pendenza dal punto campione al punto di inserimento. Sulla corsia esistente viene aggiunto uno strato di ricoprimento, alla stessa pendenza per lo spessore di ricoprimento specificato. Viene creata una forma di ricoprimento chiusa sovrapponendo uno o più collegamenti sulla pendenza % esistente. La corsia di allargamento viene associata esternamente dal ricoprimento in corrispondenza dello scostamento di inserimento, usando la pendenza calcolata.
Gli strati della pavimentazione sono chiusi con collegamenti verticali a ciascuna estremità. Viene aggiunto inoltre un singolo collegamento verticale dal bordo interno della sottobase alla superficie esistente.
In modalità layout questo componente sezione tipo è associato a qualsiasi punto appropriato. Lo strato di ricoprimento viene visualizzato ad uno spessore uniforme per una larghezza di 3,6 metri o 12 piedi, con pendenza -2%. La corsia di allargamento si estende dal bordo del ricoprimento per la larghezza e lo spessore specificati con pendenza -2%.
In modalità modellazione le forme vengono regolate sulle condizioni effettive determinate in base al punto campione, al punto di inserimento e alla superficie esistente.

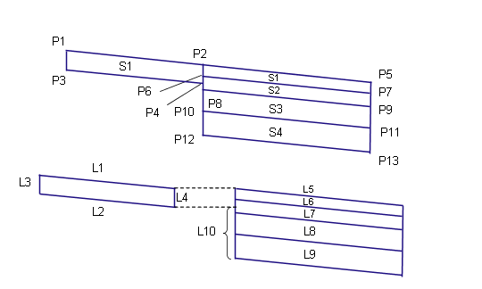
Nella tabella seguente sono elencati i codici punto, collegamento e forma di questo componente sezione tipo ai quali sono assegnati codici. Quelli che non dispongono di codice non sono inclusi nella tabella.
|
Punto, collegamento o forma |
Codice |
Descrizione |
|---|---|---|
|
P5 |
ETW |
Bordo esterno della corsia di allargamento sulla finitura |
|
P7 |
ETW_Pave1 |
Bordo esterno della corsia di allargamento su Pavimentazione1 |
|
P9 |
ETW_Pave2 |
Bordo esterno della corsia di allargamento su Pavimentazione2 |
|
P11 |
ETW_Base |
Bordo esterno della corsia di allargamento su Base |
|
P13 |
ETW_Sub |
Bordo esterno della corsia di allargamento su Sottobase |
|
L1, L5 |
Top, Pave |
Superficie di finitura |
|
L2 |
Overlay |
Sovrapposto ai collegamenti sulla superficie esistente. Si noti che possono esistere più collegamenti tra i punti P3 e P4. |
|
L6 |
Pave1 |
|
|
L7 |
Pave2 |
|
|
L8 |
Base |
|
|
L9 |
SubBase, Datum |
|
|
L10 |
Datum |
|
|
S1 |
Overlay |
Area tra ricoprimento e corsia esistente |
|
S2 |
Pave1 |
|
|
S3 |
Pave2 |
|
|
S4 |
Base |
|
|
S5 |
SubBase |
