Generatore perni a croce

Valori consigliati:

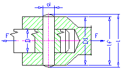
d = (0,2 -0,3) D

D 1 = (1,5 - 2) D - per acciaio e acciaio fuso

D 1 = 2,5 D - per ghisa grigia fusa

Lunghezza attiva perno

La lunghezza attiva del perno l f è una lunghezza ridotta utilizzando cimatura e raccordi. Generalmente, la lunghezza attiva consente di trasportare carichi.

Formule

Verifica della sollecitazione a taglio

Verifica della pressione di contatto

Interpretazioni dei simboli nelle unità metriche:

τ

Sollecitazione a taglio [MPa].

τ A

Sollecitazione a taglio ammissibile [MPa].

d

Diametro del perno [mm].

p 1

pressione nell'asta di trascinamento [MPa].

p 2

pressione nel manicotto [MPa].

p 1A

pressione ammissibile nel manicotto [MPa].

p 2A

pressione ammissibile nell'asta di trascinamento [MPa].

D

diametro dell'asta di trascinamento [mm].

D 1

diametro del manicotto [mm].

Interpretazioni dei simboli nelle unità inglesi:

τ

sollecitazione a taglio [psi]

τ A

sollecitazione a taglio ammissibile [psi]

d

diametro del perno [in]

p 1

pressione nell'asta di trascinamento [psi]

p 2

pressione nel manicotto [psi]

p 1A

pressione ammissibile nel manicotto [psi]

p 2A

pressione ammissibile nell'asta di trascinamento [psi]

D

diametro dell'asta di trascinamento [in]

D 1

diametro del manicotto [in]