Generatore perni di fissaggio

Lunghezza attiva perno

La lunghezza attiva del perno l f è una lunghezza ridotta utilizzando cimatura e raccordi. Generalmente, la lunghezza attiva consente di trasportare carichi.

Formule

Verifica della sollecitazione a taglio

Verifica della pressione di contatto

Interpretazioni dei simboli nelle unità metriche:

τ

sollecitazione a taglio [MPa]

τ A

sollecitazione a taglio ammissibile [MPa]

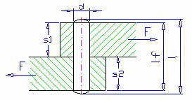
d

diametro del perno [mm]

p 1

pressione nella piastra superiore [MPa]

p 2

pressione nella piastra inferiore [MPa]

p 1A

pressione ammissibile nella piastra superiore [MPa]

p 2A

pressione ammissibile nella piastra inferiore [MPa]

s 1

spessore della piastra superiore [mm]

s 2

spessore della piastra inferiore [mm]

Interpretazioni dei simboli nelle unità inglesi:

τ

sollecitazione a taglio [psi]

τ A

sollecitazione a taglio ammissibile [psi]

d

diametro del perno [in]

p 1

pressione nella piastra superiore [psi]

p 2

pressione nella piastra inferiore [psi]

p 1A

pressione ammissibile nella piastra superiore [psi]

p 2A

pressione ammissibile nella piastra inferiore [psi]

s 1

spessore della piastra superiore [in]

s 2

spessore della piastra inferiore [in]