Barra degli strumenti Quota

Questa barra degli strumenti consente di modificare attributi delle quote.

Se si modifica un attributo di una quota completata nella modalità di creazione o selezione, solo l'attributo di tale quota cambierà.

Se si modifica un attributo durante la creazione di una quota, l'attributo diventa fisso ed è utile per creare tutte le quote future nella sessione di creazione corrente.

Gli attributi delle quote modificati con la barra degli strumenti Quota sostituiscono le modifiche future eseguite con la finestra di dialogo Opzioni. Se si modifica un attributo nella barra degli strumenti Quota, esso resta fissato alla quota. Perciò, se ora si modifica tale voce nella finestra di dialogo Opzioni, essa non cambia tale voce per la quota modificata.

Ogni voce della barra degli strumenti è discussa qui di seguito:

- Font usato nel testo.

Altezza - Consente di modificare l'altezza del testo.

- Selezionare questo pulsante per rendere corsivo il testo. È anche possibile premere Ctrl+I per attivare e disattivare il corsivo.

- Deselezionare questo pulsante per rimuovere la prima riga di riferimento dalla quota:

- Deselezionare questo pulsante per rimuovere la seconda riga di riferimento dalla quota:

- Ritaglia la linea direttrice fino alla posizione dell'annotazione della quota. È possibile usare questa funzione quando la fine della linea direttrice è ovvia, ad esempio, nelle quote punto base e catena. Il ritaglio delle linee direttrici è possibile solo per le quote lineari.

Ritaglia linea direttrice fino al testo deselezionato - La linea direttrice non è ritagliata.

Ritaglia linea direttrice fino al testo selezionato. La linea direttrice è ritagliata fino all'annotazione della quota.

- Comprende il testo nella linea direttrice:

- Modifica tutto il testo, in modo che sia posizionato orizzontalmente al piano principale.

Supponiamo che le quote sian angolate come mostrato qui di seguito:

Quando il testo è modificato su orizzontale, le quote hanno l'aspetto di:

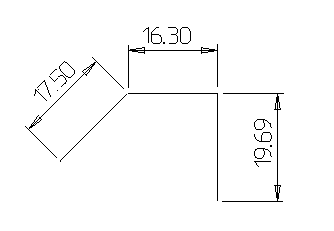
- Selezionare questo pulsante per visualizzare le misurazioni reali sulle quote lineari. Deselezionare il pulsante per visualizzare la quota lineare proiettata.

Quota proiettata

Quota reale

Una quota lineare misura la lunghezza di una linea o la distanza tra due punti.

- Selezionare questo pulsante per visualizzare il simbolo del diametro prima del valore della quota. Se la quota è il raggio di un arco, il valore cambia sul suo diametro.

- Usare questo pulsante per passare dalle linee direttrici diritte e a gomito e viceversa per le quote radiali e ordinate:

- Selezionare un'opzione nell'elenco per impostare il numero di cifre decimali, o il denominatore della parte frazionaria del valore della quota.

Scala - Scala il valore della quota. Nel modello, è possibile creare oggetti utilizzando una scala differente. Per creare quote dei valori "reali", inserire il valore della scala nella casella Scala.

La quota della linea seguente ha valore 60 e scala 1:

Se modifichiamo la scala su 3, il valore della quota diventa 20:

Quando si cambia il fattore di scala, è visualizzato un avviso.

- Ripristina gli attributi sulle impostazioni delle pagine Quote nella finestra di dialogo Opzioni.

- Riavviare la creazione delle quote punto base, catena e ordinata.

È possibile riavviare le quote punto base, catena e ordinata senza inserire nuovamente l'origine o la posizione del testo.

  1. Selezionare la quota .

    Se si sta riavviando un set di quote punto base o catena, selezionare l'ultimo:

  2. Selezionare il pulsante Riavvia quota multiparte .
  3. Fare clic sulle posizioni nella schermata per continuare nella creazione di nuove quote :

    È aggiunta una nuova quota:

    Con le quote ordinate, è anche possibile inserire posizioni tra quote :

    Una nuova quota è aggiunta tra le quote esistenti:

- Visualizza la scheda Annotazione della finestra di dialogo Quota .

- Visualizza la scheda Tolleranza della finestra di dialogo Quota.

- Visualizza la scheda Stile della finestra di dialogo Quota.

- Visualizza la scheda Marcatore della finestra di dialogo Quota.