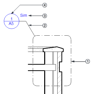
Un'etichetta di dettaglio è un elemento di annotazione che contrassegna la posizione di un dettaglio all'interno della vista primaria.
gruppo Impostazioni
menu a discesa Impostazioni aggiuntive, quindi selezionare Etichette di dettaglio.

L'etichetta di dettaglio è composta da:
Simbolo circolare di dettaglio. Linea tracciata intorno ad una sezione specifica della vista primaria per definire l'area di dettaglio.
Linea direttrice. La linea che collega l'estremità del dettaglio al simbolo circolare di dettaglio.
Testo etichetta di riferimento. Solo per dettagli di riferimento. Il testo visualizzato in un'etichetta di dettaglio fornisce informazioni sul dettaglio.
Estremità dettaglio. Un simbolo che identifica il dettaglio. Quando si inserisce il dettaglio in una tavola, per default l'estremità del dettaglio visualizza il numero di dettaglio e il numero di tavola corrispondenti.