Unire le istanze di armatura adiacenti o di giunzione con un manicotto.
Video: posizionamento di manicotti armatura
gruppo Rinforzo
(Manicotto armatura).
gruppo Opzioni di posizionamento
(Inserisci su estremità barra)
gruppo Opzioni di posizionamento
(Inserisci tra due barre)

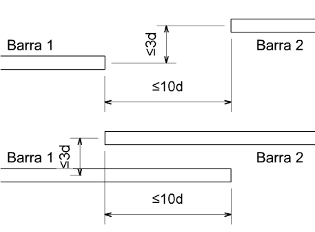
Tolleranza di posizionamento del manicotto