各種のオブジェクト タイプに対して、さまざまな方向および位置合わせで、各種タイプの寸法を記入できます。
寸法記入の基本タイプは、長さ寸法、径寸法、角度寸法、座標寸法、弧長寸法です。寸法を記入するオブジェクト タイプに適した寸法を自動的に作成するには、DIM[寸法記入]コマンドを使用します。
寸法スタイルをセットアップするか、特殊な場合は個々の寸法を編集することにより、寸法の外観をコントロールすることができます。寸法スタイルを使用すると、形式をすばやく指定したり、業界標準やプロジェクトの寸法記入規格を保持することができます。
長さ寸法には、水平寸法、垂直寸法、平行寸法があります。寸法値を配置するときのカーソルの移動方法によって、DIM コマンドを使用して、平行寸法、水平寸法、垂直寸法を記入することができます。


径寸法は円弧や円の半径や直径を表すもので、中心線や中心マークを記入することもできます。いくつかのオプションは、イラストレーションで表示されます。

角度寸法は、2 つの選択したジオメトリ オブジェクトまたは 3 つの点によって生成される角度を示します。この例では、左から右に、頂点と 2 点、円弧、2 本の線分を使用して記入した角度寸法を示します。

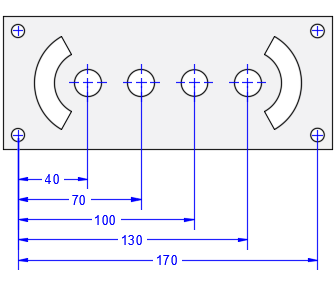
座標寸法は、 「データム」と呼ばれる起点(部品の穴など)からの垂直距離を示します。これらの寸法は、データムからフィーチャまでの正確なオフセットを管理することで、誤差の拡大を防ぎます。

この例では、データム(0,0)は、図のパネルの左下コーナーの穴で示されています。
弧長寸法は、円弧またはポリラインの円弧セグメントの長さを示します。弧長寸法は、一般的には、カムの周長を求めたり、ケーブルの長さを表す場合に使用します。
長さ寸法や角度寸法と異なり、弧長寸法には既定で円弧記号が表示されます。円弧記号は、寸法値の上または寸法値の前に表示されます。

直列寸法は、横に並べて記入された複数の寸法で、チェーン寸法とも呼ばれます。

並列寸法とは、同じ位置から計測するオフセット寸法線を持った複数の寸法のことです。

デフォルトでは、すべての新しいオブジェクトは現在のレイヤに作成されます。新しい寸法オブジェクトの場合は、DIMLAYERシステム変数を使用して画層を指定することで、現在の画層とは異なるデフォルト画層を指定できます。
引出参照線、寸法の構成要素、文字オブジェクトの UCS 軸からの水平方向および垂直方向の距離は、作成されるときに決定されます。図面内のビューが回転されている場合は、まず[UCS(U)/ビュー(VI)]オプションを使用して、水平方向および垂直方向を回転したビューではなく「図面」を基準として設定することができます。