コネクタの説明を追加する

コネクタのプラグ側とレセプタクル側に説明の値を追加します。

AutoCAD Electrical toolset では、各コネクタに 2 行(コネクタのプラグ側に 1 行、レセプタクル側に 1 行)の説明テキストを付けることができます。

説明の追加

  1. コネクタ PJ1 を右クリックし、[コンポーネントを編集]を選択します。
  2. [コンポーネントを挿入/編集]ダイアログ ボックスの[ピン]領域から、[リスト]をクリックします。
  3. [使用中のコネクタ ピン数]ダイアログ ボックスのコネクタ ピン グリッドで、ピン 1 の[説明]列をクリックします。
  4. [ピンの説明]領域で、[レセプタクル]に POWER B2 と入力します。
  5. コネクタ ピン グリッドで、ピン 2 の[説明]列をクリックします。
  6. [ピンの説明]領域で、[レセプタクル]に POWER B3 と入力します。
  7. コネクタ ピン グリッドで、ピン 3 の[説明]列をクリックします。
  8. [ピンの説明]領域で、[レセプタクル]に POWER B4 と入力します。
  9. [OK]をクリックします。
  10. [コンポーネントを挿入/編集]ダイアログ ボックスで、[OK]をクリックします。
  11. 同じ手順を繰り返して、ブラック ボックス 2、ブラック ボックス 3、およびブラック ボックス 4 の ピン A に説明 POWER IN を追加します。

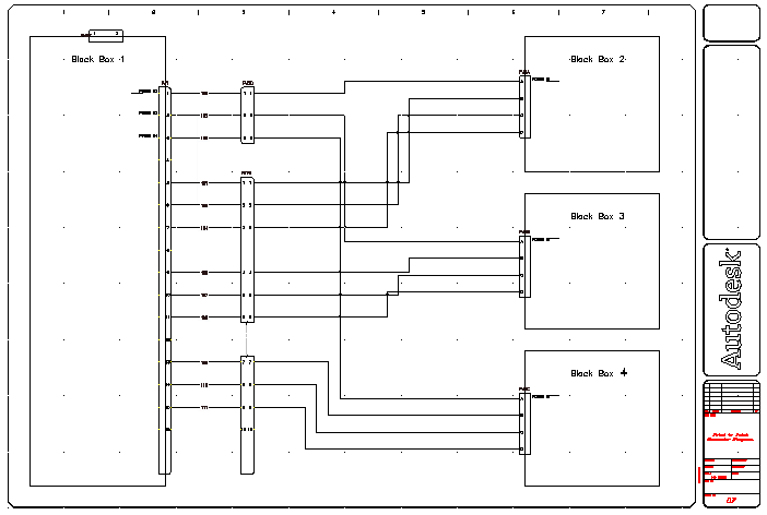
    完成したポイント トゥ ポイント図は次のようになります。