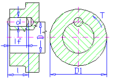
推奨値
d = (0.12 - 0.25) D
l = (1 - 1.5) D
有効ピン長さ
ピンの有効な長さ l f は、面取りおよびフィレットを行うことで短くなります。有効長さは通常、荷重を支えます。
式(メートル単位)
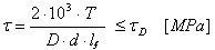
伝達トルク
せん断応力チェック
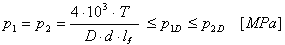
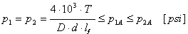
接触圧力チェック
ここで
|
P |
伝達動力 [kW] |
|
|
n |
速度 [rpm] |
|
|
T |
トルク[Nm] |
|
| τ |
せん断応力[MPa] |
|
|
τ A |
許容せん断応力[MPa] |
|
|
d |
ピン径[mm] |
|
|
p 1 |
軸における圧力[MPa] |
|
|
p 2 |
ハブにおける圧力[MPa] |
|
|
p 1A |
軸における許容圧力[MPa] |
|
|
p 2A |
ハブにおける許容圧力[MPa] |
|
|
D |
軸径[mm] |
|
|
D 1 |
ハブ径[mm] |
|
|
l f |
有効ピン長さ[mm] |
式(英国単位)
伝達トルク
せん断応力チェック
接触圧力チェック
ここで
|
P |
伝達動力[HP] |
|
|
n |
速度 [rpm] |
|
|
T |
トルク[lb ft] |
|
| τ |
せん断応力[psi] |
|
|
τ A |
許容せん断応力[psi] |
|
|
d |
ピン径[インチ] |
|
|
p 1 |
軸における圧力[psi] |
|
|
p 2 |
ハブにおける圧力[psi] |
|
|
p 1A |
軸における許容圧力[psi] |
|
|
p 2A |
ハブにおける許容圧力[psi] |
|
|
D |
軸径[インチ] |
|
|
D 1 |
ハブ径[インチ] |
|
|
l f |
有効ピン長さ[インチ] |