MATVE

Viscoelastic Material Property Definition

Description: Specifies viscoelastic material properties for use in nonlinear analysis.

Format:

Example:

Field Definition Type Default
MID Unique material identification number or identification number of a MAT1 entry. Integer > 0 Required
GFUNC Identification number of a TABVE entry. The TABVE table contains a series of shear modulii and decay coefficients to represent the shear modulus relaxation function of the material. Integer > 0 or blank
KFUNC Identification number of a TABVE entry. The TABVE table contains a series of bulk modulii and decay coefficients to represent the bulk modulus relaxation function of the material. Integer > 0 or blank
RHO Mass density. Real or blank 0.0
A Thermal expansion coefficient. Real or blank 0.0
SHIFT Time-temperature superposition shift law, selected by one of the following values:
1 = WLF (William Landel-Ferry)
2 = Arrhenius
Integer WLF
C1, C2 Material constants used by the WLF or Arrhenius shift function. Real 0.0
T0 Reference temperature used by the WLF or Arrhenius shift function. Real ≠ 0.0 if SHIFT = 2 Required if SHIFT = 2

Remarks:

  1. This entry is ignored unless the DT entry on NLPARM is not blank.
  2. If a MAT1 entry with the same MID is used, the E, G, and NU fields will be used to define defaults when GFUNC and/or KFUNC are blank.
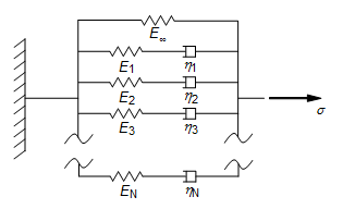
  3. Viscoelasticity uses the Generalized Maxwell Model. The deviatoric stress is given by:

    where the stress at each relaxation component is calculated by:

    and and are deviatoric stresses without relaxation.

    The viscoelastic relaxation occurs in the shear and/or bulk modulus. The modulus E in the following figure should be interpreted either shear modulus G or bulk modulus K.

    Figure 1. Viscoelastic Material Idealization

    Where,

    is stiffness at an infinite time

    is stiffness at the initial time

    The and terms are defined using the TABVE Bulk Data entry where 0 ≤ N ≤ 120.

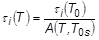
  4. Viscoelastic material properties strongly depend on temperature. Instead of estimating material properties at different temperatures, an assumption called thermorheological simplicity is used in which the relaxation curve at high temperature is identical to that at low temperature when the time is properly scaled. The relaxation times in the Prony series are scaled by the following equation:

    where two different scaling functions are supported.

    • William-Landel-Ferry:

    • Arrhenius: