集計表について

表とは、モデルの特定のオブジェクトの座標が記載されたテーブル、またはマテリアルの詳細を指します。

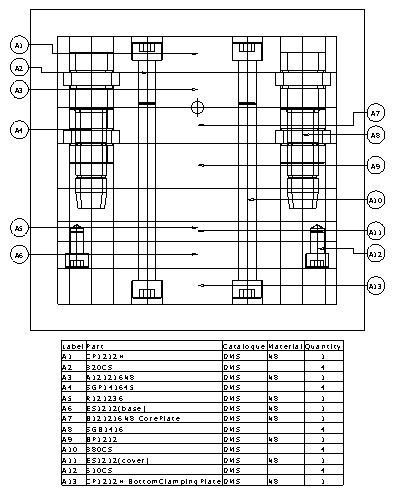
マテリアルの詳細(BOM)とは、アセンブリに使用されている、コンポーネントやサブアセンブリの表を指します。

Microsoft Excel をインストールしている場合、埋め込み型の表が作成されます。

次のアイテムから表を作成することができます。

表をアペンドして、エントリーを追加することもできます。