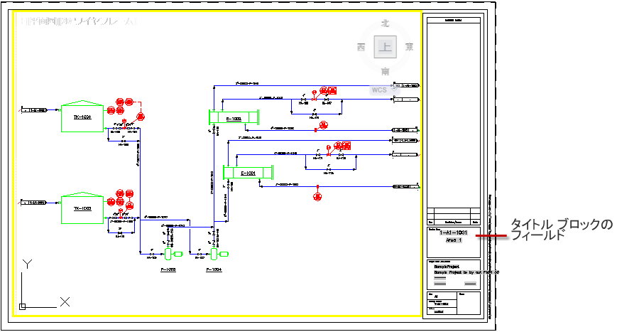
概要 - タイトル ブロックとフィールドを図面に挿入する

フィールドを使用して、図面内のプロジェクト データを追加および更新することができます。

プロジェクト内の各図面には、図面のタイトル ブロックまたは図面のその他の領域に追加できるプロパティがあります。

フィールドまたはフィールドを含むブロックを図面に挿入すると、そのフィールドに、図面と共に保存されているプロパティから取得したデータが自動的に代入されます。