기본값 이외의 객체를 거리 스냅의 기준으로 사용하려면(AutoCAD Mechanical Toolset)
홈 탭
치수 패널
파워 치수
를 클릭합니다.
찾기
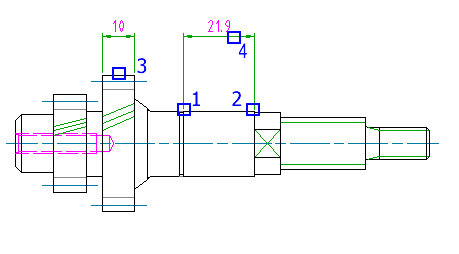
첫 번째 치수보조선 원점(1)과 두 번째 치수보조선 원점(2)을 지정합니다.
치수선 위치에 대한 메시지가 표시되면 P를 입력합니다.
거리 스냅의 기준으로 사용할 객체(3)를 선택합니다.
포인터를 원하는 치수 위치와 방향으로 이동합니다. 클릭하여 치수선(4)을 배치합니다.
주:
객체로부터 사전 설정된 거리에 스냅되면 치수선이 빨간색으로 바뀝니다.
파워 치수기입 리본 상황별 탭의 설정을 사용해 치수를 필요한 대로 편집하거나
파워 치수기입 탭
미리 정의 드롭다운
을 클릭합니다.
찾기
을 클릭하고 미리 정의된 치수 문자 템플릿을 선택합니다.
파워 치수기입 탭
닫기 패널
편집기 닫기
를 클릭합니다.
찾기
관련 개념
파워 치수 정보(AutoCAD Mechanical Toolset)
선형 치수 작성 정보(AutoCAD Mechanical Toolset)
관련 태스크
임시로 거리 스냅 값을 변경하려면(AutoCAD Mechanical Toolset)
임시로 거리 스냅을 끄려면(AutoCAD Mechanical Toolset)
거리 스냅 설정을 구성하려면(AutoCAD Mechanical Toolset)
관련 참조
파워 치수 작성을 위한 명령(AutoCAD Mechanical Toolset)