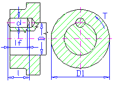
권장값
d = (0.12 - 0.25) D
l = (1 - 1.5) D
활성 핀 길이
핀 활성 길이 l f 는 모따기 및 모깎기에 의해 줄어든 길이입니다. 활성 길이는 일반적으로 하중을 수반합니다.
미터법 단위 공식
전달된 토크
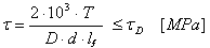
전단 응력 검사
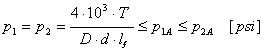
접촉 압력 검사
설명:
|
P |
전달된 동력 [kW] |
|
|
n |
속도 [rpm] |
|
|
T |
토크 [Nm] |
|
| τ |
전단 응력 [MPa] |
|
|
τ A |
허용 전단 응력 [MPa] |
|
|
d |
핀 지름 [mm] |
|
|
p 1 |
샤프트 내의 압력 [MPa] |
|
|
p 2 |
허브 내의 압력 [MPa] |
|
|
p 1A |
샤프트 내의 허용 압력 [MPa] |
|
|
p 2A |
허브 내의 허용 압력 [MPa] |
|
|
D |
샤프트 지름 [mm] |
|
|
D 1 |
허브 지름 [mm] |
|
|
l f |
활성 핀 길이 [mm] |
영국식 단위 공식
전달된 토크
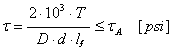
전단 응력 검사
접촉 압력 검사
설명:
|
P |
전달된 동력 [HP] |
|
|
n |
속도 [rpm] |
|
|
T |
토크 [lb ft] |
|
| τ |
전단 응력 [psi] |
|
|
τ A |
허용 전단 응력 [psi] |
|
|
d |
핀 지름 [in] |
|
|
p 1 |
샤프트 내의 압력 [psi] |
|
|
p 2 |
허브 내의 압력 [psi] |
|
|
p 1A |
샤프트 내의 허용 압력 [psi] |
|
|
p 2A |
허브 내의 허용 압력 [psi] |
|
|
D |
샤프트 지름 [in] |
|
|
D 1 |
허브 지름 [in] |
|
|
l f |
활성 핀 길이 [in] |