보강 철근 커플러 배치
이어지거나 인접 보강 철근 인스턴스(instance)를 커플러로 결합합니다.
비디오: 보강 철근 커플러 배치
구조 탭
철근 배근 패널
(보강 철근)을 클릭합니다.
커플러가 배치되는 방법 클릭:
수정 | 보강 철근 커플러 삽입 탭
배치 옵션 패널
(철근 끝에 배치)
수정 | 보강 철근 커플러 삽입 택
배치 옵션 패널
(두 철근 사이에 배치)
특성 팔레트 상단에 있는 유형 선택기에서 원하는 보강 철근 커플러 유형을 선택합니다. 연결을 작성하려면 커플러 크기가 보강 철근 크기와 일치해야 합니다.
보강 철근에 커플러를 배치합니다.
철근 끝에 배치하려면 보강 철근의 원하는 끝을 선택합니다.
두 철근 사이에 배치하려면 두 개의 유효한 보강 철근 인스턴스(instance)를 선택합니다. 선택한 두 번째 막대가 재배치되고 커플러에 대해 필요에 따라 길이가 짧아집니다.
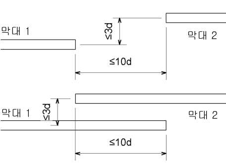
두 개의 보강 철근 인스턴스(instance)를 연결하는 커플러에 대해 연결된 끝은 10개의 철근 지름을 초과해서는 안 됩니다. 철근은 다른 철근으로부터 3개의 철근 지름을 초과하여 간격띄우기를 할 수 없습니다.
커플러 배치 공차
상위 주제:
보강 철근 커플러
관련 개념
보강 철근 커플러 정보
철근 배근 끝 처리 정보
관련 태스크
보강 철근 세트 배치
비디오: 보강 철근 커플러 배치
관련 참조
보강 철근 커플러 인스턴스(instance) 특성
보강 철근 커플러 유형 특성
보강 철근 커플러 패밀리 매개변수
관련 정보
보강 철근 커플러 수정