ChannelDrain

A submontagem ChannelDrain insere pontos e vínculos para criar um dreno de canal para coletar água ao longo de uma pista de rolagem.

Anexação

O ponto de anexação é a aresta interna do dreno do canal. Este componente pode ser anexado à esquerda ou à direita.

Parâmetros de entrada

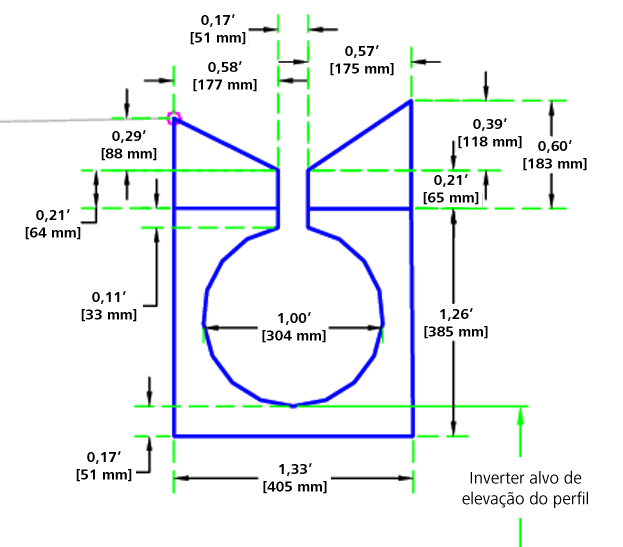
Nota: Todas as cotas estão expressas em metros ou pés, a não ser que indicadas de outra forma. Todas as inclinações estão em forma de trecho sobre elevação (por exemplo, 4 : 1), a não ser que sejam indicadas como um percentual de inclinação, por meio de um sinal “%”.

Parâmetro

Descrição

Tipo

Padrão

Lado Especifica em qual lado a submontagem deve ser colocada. Esquerdo/Direito Direita

Parâmetros-alvo

Esta seção lista os parâmetros nesta submontagem que podem ser mapeados para um ou mais objetos alvo. Para obter mais informações, consulte Para especificar os alvos do corredor.

Parâmetro

Descrição

Status

Superelevação Pode ser utilizado para substituir a geratriz da tubulação. Os seguintes tipos de objeto podem ser usados como alvos para especificar a elevação: perfis, polilinhas 3D, linhas do recurso ou imagens de levantamento topográfico. Opcional

Atribuições de lógica em tempo de execução

Nenhum.

Parâmetros de saída

Nenhum.

Comportamento

O ponto inicial é definido no ponto de anexação. Os pontos e vínculos são criados com base nos valores armazenados na submontagem.

Operação do modo de layout

No modo do layout, esta submontagem desenha a submontagem.

Ponto, vínculo e códigos da forma

A tabela a seguir lista o ponto, o vínculo, e os códigos da forma para esta submontagem que tenha códigos atribuídos à ela. Ponto, vínculo ou códigos da forma para esta submontagem que não possuam códigos atribuídos não estarão incluídos nesta tabela.

Ponto, vínculo ou forma

Código

Descrição

P1-P4, P9, P10 Concreto Cantos de concreto da entrada
P5, P8 ConcBottom Canto inferior de concreto
P6, P7 Fluido Fluido
P11-P13 Tubulação Pontos de tubulação
L1, L2 Concreto, parte superior Parte superior de concreto
L3, L7, L10, L11 Concreto Concreto da entrada
L5 Fluido Fluido da tubulação
L12-L14 Tubulação Vínculos da tubulação
S1, S2 Concreto Concreto da entrada
S3 Fluido Fluido em torno da tubulação

Diagrama de codificação