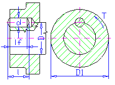
Gerador de pinos de junta

Valores recomendados

d = (0,12 - 0,25) D

l = (1 - 1,5) D

Comprimento ativo do pino

O comprimento ativo do pino l f diminui com os chanfros e as concordâncias e costuma suportar a carga. e costuma suportar a carga.

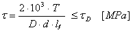
Fórmulas em unidades métricas

Torque transferido

Verificação de tensão de corte

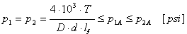
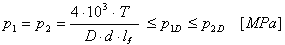
Verificação de pressão de contato

onde:

 

P

potência transferida [kW]

 

n

velocidade [rpm]

 

T

torque [Nm]

  τ

tensão de corte [MPa]

 

τ A

tensão de corte suportada [MPa]

 

d

diâmetro do pino [mm]

 

p 1

pressão no eixo [MPa]

 

p 2

pressão no cubo [MPa]

 

p 1A

pressão suportada no eixo [MPa]

 

p 2A

pressão suportada no cubo [MPa]

 

D

diâmetro do eixo [mm]

 

D 1

diâmetro do cubo [mm]

 

l f

comprimento ativo do pino [mm]

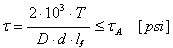
Fórmulas em unidades imperiais

Torque transferido

Verificação de tensão de corte

Verificação de pressão de contato

onde:

 

P

potência transferida [CV]

 

n

velocidade [rpm]

 

T

torque [libras/pés]

  τ

tensão de corte [psi]

 

τ A

tensão de cisalhamento suportada [psi]

 

d

diâmetro do pino [pol]

 

p 1

pressão no eixo [psi]

 

p 2

pressão no cubo [psi]

 

p 1A

pressão suportada no eixo [psi]

 

p 2A

pressão suportada no cubo [psi]

 

D

diâmetro do eixo [pol]

 

D 1

diâmetro do cubo [pol]

 

l f

comprimento ativo do pino [pol]