Повторное использование цепи, сохраненной в файле DWG.
Другой способ сохранения и вставки цепей — использование команды AutoCAD ПБЛОК для сохранения цепи на диске. Для поиска и выбора сохраненной цепи и вставки ее на активный чертеж используется отдельная команда "Вставить цепь". Данный способ позволяет сформировать и сохранить на диске неограниченное количество цепей. Они могут быть организованы в виде набора вложенных папок, находящихся в общем доступе, для облегчения обзора и извлечения с помощью команды "Вставить цепь".
Сохранение цепи командой ПБЛОК
Укажите базовую точку вставки:
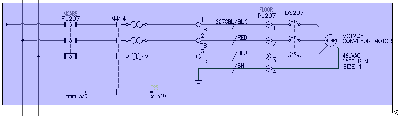
Укажите точку пересечения левой вертикальной шины с верхней горизонтальной шиной у линейной ссылки 207

Выбрать объекты: Выделите рамкой слева направо всю цепь, щелкните правой кнопкой мыши

Вставка цепи из записываемого блока


. найти
Перенести все линии на слои проводов
Сохранить все стрелки с адресом источника
При необходимости обновить слои текстов цепи
Нажмите кнопку "ОК".
Точка вставки: Щелкните любое незанятое место на чертеже
Для позиционных обозначений родительских компонентов, для которых не задано значение "Фиксированный", автоматически выполняется переназначение позиционных обозначений на основе точки вставки. Этот режим подобен режиму вставки цепи с помощью графического меню.