Таблица может содержать координаты заданных объектов модели:

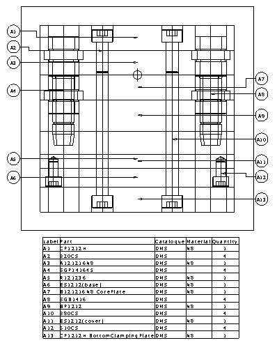
Спецификация - это таблица компонентов/подсборок, используемых в сборке:

При наличии Microsoft Excel, внедренной спецификации.
Вы можете создать таблицы для следующих объектов:
Кроме того, вы можете добавить дополнительные ячейки в таблицу.