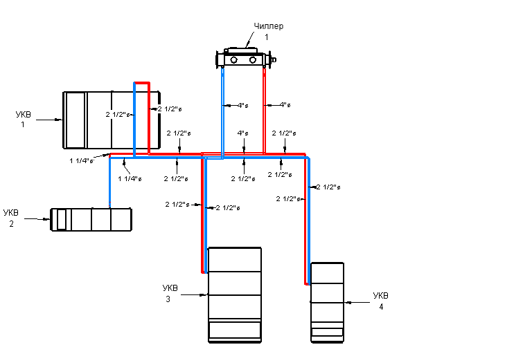
На следующих рисунках показаны результаты применения различных способов определения размеров водопроводов.

До определения размеров

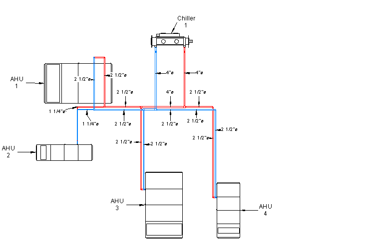
После определения размеров

До определения размеров

После определения размеров

До определения размеров

После определения размеров

До определения размеров

После определения размеров

До определения размеров

После определения размеров