关于表格交互参考格式

使用表格交互参考格式样式时,预览图像将变化以显示交互参考在图形中的外观。

图形字体格式:

使用 JIC-样式或 IEC-样式的图形字体显示交互参考格式。设置将应用到图形字体,而不考虑在项目特性中指定的标记模式。

下面的示例将显示在表格样式中使用图形字体格式的表格交互参考。对于未使用的辅项(触点),“用于填充参考的内容”值为“SP”。

JIC

IEC

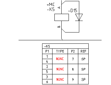
触点映射格式:

使用交互参考类型值(NO、NC、NONC)显示交互参考格式。

JIC

IEC

符号映射格式:

使用 AutoCAD 块 (.dwg) 文件表示触点类型显示交互参考格式。目录查找数据库中的 _XREF_GRAPHICS 表格将定义符号映射。为插入的映射符号搜索激活项目的原理图库文件夹。

JIC

IEC

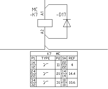
转换触点与表格

一种典型类型的触点是转换触点类型。它由 2 个触点组成,1 个开放触点的和 1 个关闭触点,它们共享一个常用端子引脚号。您可以选择将两个转换触点作为两个单独的符号插入,也可以将两者作为一个符号一起插入。

示例:两个符号组成转换触点

常用引脚位于参考列旁边的右侧,并显示在表格的 P2 列。

JIC

IEC

注: 如果使用符号映射方法,则单个符号表示转换触点,即使插入了两个单独的触点。

示例:单个符号组成转换触点

常用引脚位于参考列旁边的右侧,并显示在表格的 P2 列。

JIC

IEC

表格标题中的可替换参数

表格样式交互参考支持在表格标题中定义和显示的可替换参数。当您对图形进行了修改时,某些 AutoCAD Electrical 工具集 命令会将其考虑在内。

删除元件

如果具有交互参考表格的元件被删除,则该表格也从图形删除。

重新标记元件

重新标记了元件后(重新标记元件、移动元件、移动回路、编辑元件),如果标记是标题的一部分,交互参考表格会更新。

编辑元件

如果修改了具有交互参考表格的元件的可替换参数,则表格标题将更新以反映更改。

复制目录指定

将不同的目录号复制到主符号时,PINLIST 和触点数可能更新,而交互参考表格会实时更新。

组合的安装代号/位置代号标记模式

如果图形范围的位置代号或安装代号值发生更改,则交互参考表格标题将更新以反映所做的更改。

复制回路

如果复制了具有交互参考表格的回路,则使用新标记值更新表格标题。

插入元件

如果插入具有交互参考表格的主元件,则在交互参考属性位置(XREF 和 XREFNO)插入表格。如果插入辅元件,主元件的交互参考表格将更新。

快速移动

如果快速移动具有交互参考表格的主元件,则表格也将沿着导线快速移动。

注: 如果更改元件目录号或将多个 BOM 表目录号添加到元件(同时更改引脚列表数据),交互参考表格将在您退出“插入/编辑元件”对话框时更新。此外,如果您在主元件上手动修改引脚列表,则在退出“插入/编辑元件”时会使用新引脚号和修改的触点数来更新交互参考表格。

不支持实时交互参考更新的命令包括: